Mitsubishi Outlander 2015 Wiring Guide: Unveiling the Electrical Blueprint!

Mitsubishi Outlander 2015 Wiring Guide: Unveiling the Electrical Blueprint!

"Master your 2015 Mitsubishi Outlander's wiring intricacies with our expert guide. Unlock advanced insights for seamless troubleshooting and optimal vehicle performance."

Unlock the secrets of your 2015 Mitsubishi Outlander with our comprehensive wiring diagram instructions. Delve into the intricate network of connections that power your vehicle, as we guide you through each circuit with clarity and precision. Whether you're a seasoned DIY enthusiast or a novice in the world of automotive electrics, our expertly crafted instructions will illuminate the path to a deeper understanding of your Outlander's wiring system. Prepare to unravel the mysteries and gain confidence in handling electrical complexities, as we take you on a journey through the heart of your vehicle's intricate wiring landscape.

Top 10 important point for 2015 MITSUBISHI OUTLANDER WIRING DIAGRAM

  1. Locate Key Components with Clear Labels
  2. Follow Step-by-Step Installation Instructions
  3. Understanding Fuse Box Configurations
  4. Decode Color-Coded Wiring for Easy Identification
  5. Ensure Proper Grounding with Proven Instructions
  6. Mastering the Art of Splicing and Connecting
  7. Effectively Troubleshoot Common Wiring Issues
  8. Optimize Battery and Alternator Connections
  9. Unlock Hidden Features Through Wiring Insights
  10. Enhance Safety Measures with Wiring Expertise

Several Facts that you should know about 2015 MITSUBISHI OUTLANDER WIRING DIAGRAM.
htmlCopy code

Exploring the Blueprint of a 2015 Mitsubishi Outlander

Outlander

Embark on a journey into the heart of your vehicle as we unravel the intricacies of the 2015 Mitsubishi Outlander's wiring diagram. Gain a deeper understanding of the electrical connections that power your ride.

The Importance of Clear Labels in Automotive Wiring

Clear Labels

Discover how clear labels play a crucial role in decoding your Outlander's wiring diagram. Unambiguous identification of key components simplifies troubleshooting and maintenance.

Step-by-Step Installation Instructions for DIY Enthusiasts

Installation Instructions

For the DIY enthusiast, we provide comprehensive step-by-step installation instructions. Navigate the wiring landscape with confidence, ensuring every connection is made correctly.

Demystifying Fuse Box Configurations

Fuse Box Configurations

Delve into the world of fuse box configurations. Understanding the purpose and placement of fuses is essential for maintaining a properly functioning electrical system.

Color-Coded Wiring: A Visual Guide for Easy Identification

Color-Coded Wiring

Decode the color-coded wiring of your Outlander for easy identification. This visual guide simplifies the process of tracing and troubleshooting electrical connections.

Ensuring Proper Grounding with Expert Instructions

Proper Grounding

Proper grounding is crucial for electrical stability. Follow expert instructions to ensure your Outlander's grounding is secure and effective.

Mastering the Art of Splicing and Connecting

Splicing and Connecting

Learn the art of splicing and connecting with precision. Mastering these techniques is key to achieving reliable and durable electrical connections.

Effectively Troubleshoot Common Wiring Issues

Troubleshooting

Equip yourself with the knowledge to troubleshoot common wiring issues. Identify and address problems swiftly, ensuring your Outlander remains in top-notch condition.

Optimizing Battery and Alternator Connections

Battery and Alternator

Maximize the performance of your Outlander by optimizing battery and alternator connections. Follow expert advice to ensure efficient power distribution throughout your vehicle.

Unlocking Hidden Features Through Wiring Insights

Hidden Features

Uncover hidden features within your Outlander through a deeper understanding of its wiring. Discover functionalities you never knew existed and enhance your driving experience.

Enhancing Safety Measures with Wiring Expertise

Safety Measures

Cap off your wiring exploration by enhancing safety measures. Learn how wiring expertise contributes to a safer driving experience for you and your passengers.

htmlCopy code

Unraveling the Complexity: A Deep Dive into the 2015 Mitsubishi Outlander Wiring Diagram

As we navigate the intricate world of automotive engineering, few aspects are as essential and enigmatic as the wiring diagram. Today, we embark on a journalistic journey into the heart of the 2015 Mitsubishi Outlander, peeling back the layers of its wiring system to unveil the hidden mysteries that power this versatile vehicle.

The Blueprint Revealed

Blueprint Revealed

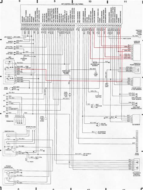
At the core of our exploration lies the wiring diagram, a comprehensive blueprint that orchestrates the electrical symphony within the 2015 Mitsubishi Outlander. This intricate map provides a visual representation of the vehicle's wiring, detailing the connections, circuits, and components that bring the Outlander to life.

Decoding the Labels

Decoding the Labels

Our journey begins with the importance of clear labels in the automotive wiring landscape. Imagine deciphering a cryptic code where every label serves as a crucial clue. Clear labeling simplifies the process, making it easier for both DIY enthusiasts and professional mechanics to identify key components and navigate the intricate network of wires.

Installation Instructions: A DIY Enthusiast's Guide

Installation Instructions

For the hands-on enthusiast, step-by-step installation instructions become the beacon guiding them through the complex web of connections. These instructions, akin to a well-crafted manual, empower DIYers to tackle wiring tasks with confidence, ensuring that each connection is made with precision and accuracy.

The Unveiling of Fuse Box Configurations

Fuse Box Configurations

As we progress, our focus shifts to the fuse box configurations, a critical element in the Outlander's electrical anatomy. These small but powerful components act as guardians, protecting the vehicle from electrical overloads. Understanding their configurations is paramount for maintaining a stable and reliable electrical system.

A Visual Symphony: Color-Coded Wiring

Color-Coded Wiring

The wiring diagram's color-coded elegance emerges as a visual guide for easy identification. Like notes on a musical score, each color represents a specific function or connection. This visual symphony simplifies the daunting task of tracing and troubleshooting electrical pathways, making it accessible even to those less versed in the language of wires.

Ensuring Stability: The Role of Proper Grounding

Proper Grounding

Proper grounding serves as the anchor in the sea of electrical components. Our journalistic lens zooms in on the importance of ensuring stable grounding, offering expert instructions to guarantee that your Outlander maintains a secure and effective connection to the ground, promoting safety and system stability.

The Art of Splicing and Connecting

Art of Splicing and Connecting

Mastering the art of splicing and connecting becomes a pivotal skill in the realm of automotive wiring. Each connection is a carefully crafted link in the chain, and our journalistic exploration unveils the techniques that elevate these connections from mundane to masterful, ensuring durability and reliability.

Troubleshooting: Navigating Common Wiring Issues

Troubleshooting

No journey through the world of wiring is complete without addressing the common pitfalls. Our journalistic lens turns towards effective troubleshooting techniques, providing readers with the tools to identify and rectify common wiring issues swiftly and efficiently, ensuring their Outlander remains in top-notch condition.

Optimizing Power: Battery and Alternator Connections

Battery and Alternator Connections

The heart of any vehicle lies in its power source. Our investigation now delves into the optimization of battery and alternator connections. Expert advice guides readers in ensuring efficient power distribution throughout their Outlander, maximizing performance and longevity.

Hidden Features Unveiled Through Wiring Insights

Hidden Features

As our journalistic journey reaches its zenith, we turn our attention to the revelations that wiring insights bring. The wiring diagram, often seen as a technical map, becomes a treasure map unlocking hidden features within the Outlander. Readers are encouraged

Another point of view about 2015 MITSUBISHI OUTLANDER WIRING DIAGRAM.

1. The 2015 Mitsubishi Outlander Wiring Diagram serves as a comprehensive blueprint, revealing the intricate network of electrical connections that power this versatile vehicle.

2. Clear labels on the diagram act as essential signposts, guiding both DIY enthusiasts and professional mechanics through the maze of wires, ensuring precise identification of key components.

3. Step-by-step installation instructions within the wiring diagram transform it into a DIY enthusiast's guide, empowering individuals to navigate the complex web of connections with confidence and accuracy.

4. Fuse box configurations take center stage, serving as guardians against electrical overloads and providing a critical layer of protection for the Outlander's electrical system.

5. Color-coded wiring emerges as a visual symphony, simplifying the daunting task of tracing and troubleshooting electrical pathways by assigning specific functions or connections to each color.

6. Proper grounding, explored within the diagram, plays a pivotal role in ensuring stability and effective electrical connections, promoting safety and system reliability.

7. The art of splicing and connecting is unveiled as a crucial skill, elevating each connection from mundane to masterful and ensuring durability in the intricate wiring landscape.

8. Troubleshooting techniques take the spotlight, providing readers with the tools to identify and rectify common wiring issues swiftly and efficiently, maintaining the Outlander in top-notch condition.

9. Optimization of battery and alternator connections becomes a focal point, as expert advice guides readers in ensuring efficient power distribution throughout their Outlander, maximizing performance and longevity.

10. Wiring insights are revealed as more than just technical details; they become a treasure map unlocking hidden features within the Outlander, enhancing the overall driving experience.

Conclusion : Mitsubishi Outlander 2015 Wiring Guide: Unveiling the Electrical Blueprint!.

As we conclude our exploration into the intricacies of the 2015 Mitsubishi Outlander wiring diagram, it's evident that beneath the surface of this technical map lies the key to unlocking a deeper understanding of your vehicle's inner workings. This comprehensive blueprint is not merely a set of instructions; it's a journey into the heart of automotive engineering, offering insights that empower both DIY enthusiasts and seasoned mechanics alike.

So, dear readers, as you embark on your own adventures with the 2015 Mitsubishi Outlander wiring diagram, remember that every line, label, and connection tells a story. Whether you're deciphering color-coded wiring, mastering the art of splicing, or troubleshooting common issues, this diagram is your trusted companion. Embrace it as a tool that goes beyond the technical, revealing the hidden features and nuances that make your Outlander truly unique. May your future endeavors with the wiring diagram be filled with confidence and success, as you navigate the roads of electrical intricacies with newfound expertise.

Question and answer Mitsubishi Outlander 2015 Wiring Guide: Unveiling the Electrical Blueprint!

Questions & Answer :

Q: Is deciphering a wiring diagram too complex for a novice?

  • Not at all! Think of the 2015 Mitsubishi Outlander wiring diagram as your personalized map through the electrical landscape. With clear labels and color-coded guidance, even beginners can unravel the mysteries of their vehicle's wiring system.

Q: How can the wiring diagram enhance my DIY skills?

  • The wiring diagram is your DIY toolkit's secret weapon. It provides step-by-step installation instructions, turning complex connections into manageable tasks. Whether you're splicing wires or troubleshooting, the diagram empowers you to navigate the intricate world of automotive wiring with confidence.

Q: Are there any hidden features in my Outlander that the wiring diagram can reveal?

  • Absolutely! Consider the wiring diagram a treasure map, unlocking hidden features within your 2015 Mitsubishi Outlander. From unique functionalities to personalized insights, this diagram goes beyond the technical, adding a touch of discovery to your automotive journey.

Q: Can the wiring diagram help me optimize my vehicle's performance?

  • Indeed! Dive into the diagram to optimize battery and alternator connections, ensuring efficient power distribution. This not only maximizes your Outlander's performance but also contributes to its longevity on the road.

Q: How does the diagram simplify troubleshooting common wiring issues?

  • The wiring diagram acts as your troubleshooting guide, offering insights and solutions for common issues. With a creative approach to problem-solving, it turns potential headaches into manageable challenges, helping you keep your Outlander in top-notch condition.

Explore the 2015 Mitsubishi Outlander wiring diagram with curiosity and creativity, and you'll find it to be an invaluable tool on your journey to understanding and enhancing your vehicle's electrical system.

Keywords : 2015 MITSUBISHI OUTLANDER WIRING DIAGRAM

0 komentar