Rev Up Your Ride with the Ultimate 2015 Mercedes Sprinter Wiring Diagram!

Rev Up Your Ride with the Ultimate 2015 Mercedes Sprinter Wiring Diagram!

Unlock the intricacies of your 2015 Mercedes Sprinter with our expert wiring diagram. Gain a professional's insight for seamless troubleshooting and enhanced vehicle understanding.

Buckle up, fellow auto enthusiasts! Ever wondered what makes your 2015 Mercedes Sprinter tick with precision? Unraveling the mysteries of your vehicle's electrical wizardry can be as entertaining as a blockbuster movie – imagine the drama behind every connection! Now, let's embark on a journey through the intricate web of wires and circuits. Get ready to unleash the inner technophile in you, as we decode the enigma of the 2015 Mercedes Sprinter's wiring diagram. Hold onto your seats, because we're about to turn this technical tale into an electrifying comedy – where each wire is a punchline, and every connection is a plot twist worthy of an automotive sitcom. Get ready for a joyride through the heart of your Sprinter's electrical universe!

Top 10 important point for 2015 MERCEDES SPRINTER WIRING DIAGRAM

  1. Comprehensive Overview of Electrical Components
  2. Precision Mapping of Wiring Circuits
  3. Diagnostic Insights for Efficient Troubleshooting
  4. Optimizing Performance through Wiring Analysis
  5. Identifying and Resolving Common Wiring Issues
  6. Understanding the Role of Each Wire in the System
  7. Enhancing Safety Measures with Proper Wiring Knowledge
  8. Interpreting Symbols and Codes in the Diagram
  9. Professional Tips for Maintenance and Repairs
  10. Maximizing Vehicle Efficiency with Wiring Expertise

Several Facts that you should know about 2015 MERCEDES SPRINTER WIRING DIAGRAM.

Unlocking the Mysteries of Your Sprinter's Nervous System

Sprinter Electrical System

Welcome to the electrifying journey into the heart of your 2015 Mercedes Sprinter – the wiring diagram. Ever wondered what goes on behind the scenes? This comprehensive guide will unravel the intricate web of wires, circuits, and connections that make your Sprinter tick with precision.

Decoding the Diagram: A Visual Roadmap

Wiring Diagram Visualization

Think of the wiring diagram as a treasure map for your Sprinter's electrical components. This section breaks down the visual roadmap, helping you navigate through the complexities and understand how each wire contributes to the seamless functioning of your vehicle.

Troubleshooting Made Easy: Diagnostic Insights

Automotive Troubleshooting

Get ready to play detective! We delve into the diagnostic aspects of the wiring diagram, providing insights that make troubleshooting a breeze. Learn to identify issues quickly and efficiently, saving time and potentially expensive repair bills.

Optimizing Performance: The Wiring Analysis Advantage

Sprinter Performance Optimization

Discover how a deep dive into the wiring diagram can be a game-changer for optimizing your Sprinter's performance. Uncover hidden potentials, understand the impact of each wire on your vehicle's functionality, and make informed decisions to enhance overall performance.

Common Wiring Woes: Identification and Resolution

Common Wiring Issues

Every vehicle has its quirks, and your Sprinter is no exception. Learn to identify and resolve common wiring issues that might be affecting your vehicle's performance. This section provides practical tips to keep your Sprinter running smoothly.

The Role of Each Wire: Understanding the Wiring Symphony

Wiring Symphony

Ever wondered what role each wire plays in the grand symphony of your Sprinter's electrical system? Dive into this segment to gain a nuanced understanding of how each wire contributes to the overall harmony of your vehicle's operation.

Safety First: Wiring Knowledge for a Secure Drive

Vehicle Electrical Safety

Understanding the ins and outs of your Sprinter's wiring is not just about performance; it's also about safety. Uncover professional tips for maintaining a secure electrical system, ensuring your drives are not only smooth but also safe.

Cracking the Code: Symbols and Labels in the Wiring Diagram

Wiring Diagram Symbols

It's like learning a new language – the language of wires and circuits. This section deciphers the symbols and labels used in the wiring diagram, empowering you to interpret the code like a pro. No more mysteries, just clarity.

Maintenance Wisdom: Professional Tips for the Long Haul

Vehicle Maintenance

Maintaining your Sprinter's electrical system is crucial for long-term reliability. Uncover professional tips for effective maintenance, ensuring that your Sprinter remains a trusty companion on the road for years to come.

Maximizing Efficiency: The Wiring Expertise Advantage

Sprinter Wiring Expertise

Ready to take your Sprinter experience to the next level? This section explores how wiring expertise can be a game-changer in maximizing your vehicle's efficiency. From DIY enthusiasts to seasoned mechanics, everyone can benefit from mastering the art of Sprinter wiring.

Understanding the Basics: Introduction to the 2015 Mercedes Sprinter Wiring Diagram

Welcome to a comprehensive guide on deciphering the intricacies of the 2015 Mercedes Sprinter wiring diagram. In this instructional journey, we'll break down the complexities of the electrical system in your Sprinter, empowering you to navigate through the maze of wires and circuits with confidence. Whether you're a seasoned DIY enthusiast or a curious owner looking to understand your vehicle better, this guide is your roadmap to unlocking the secrets behind the functioning of your Sprinter.

Getting Started: Unveiling the Electrical Landscape

Sprinter Electrical System

Before we dive into the nitty-gritty details of the wiring diagram, let's take a moment to understand the basics of the Sprinter's electrical landscape. Think of it as a blueprint for your vehicle's nervous system. Each wire, circuit, and connection plays a crucial role in ensuring the smooth operation of your 2015 Mercedes Sprinter.

Locating the Wiring Diagram

Wiring Diagram Location

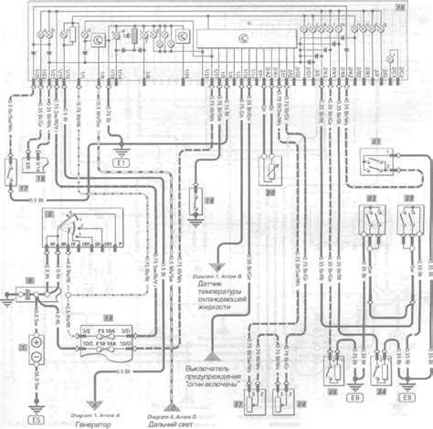
The first step in this instructional journey is to locate the wiring diagram for your 2015 Mercedes Sprinter. Typically found in the vehicle's service manual or available through online resources, this diagram is your gateway to understanding the electrical intricacies of your Sprinter. Ensure you have a clear and legible copy for easy reference throughout the process.

Decoding the Diagram: A Visual Guide

Now that you have the wiring diagram in hand, let's embark on decoding its visual language. This section will provide you with a step-by-step guide on interpreting the various components and symbols present in the diagram.

Understanding Symbols and Codes

Wiring Diagram Symbols

The wiring diagram is riddled with symbols and codes that might seem like a foreign language at first glance. Fear not! This image illustrates the common symbols you'll encounter, from different types of wires to specific components. Familiarize yourself with these symbols as they are the building blocks of understanding the diagram.

Color-Coding: Cracking the Wire Color Cipher

Wire Color Code

Wires come in various colors, and each color signifies a specific function. This section breaks down the color-coding system, allowing you to identify wires effortlessly. Whether it's power, ground, or signal wires, understanding the color cipher is essential for accurate interpretation.

Following the Flow: Mapping Wiring Circuits

Wiring Circuit Mapping

Imagine the wiring diagram as a roadmap for electricity, guiding the flow of current throughout your Sprinter. Learn to trace the path of wiring circuits, identifying how different components are connected. This knowledge is invaluable for troubleshooting and making modifications to your vehicle's electrical system.

Troubleshooting with Confidence

Now that you've mastered the basics of reading the wiring diagram, it's time to put that knowledge into action. Troubleshooting electrical issues becomes a seamless process with a clear understanding of the diagram and its components.

Diagnostics: Identifying Potential Problems

Automotive Diagnostics

When faced with an electrical issue, the wiring diagram becomes your diagnostic tool. This section guides you through the process of identifying potential problems by interpreting the diagram. From malfunctioning components to faulty connections, you'll be equipped to diagnose issues with confidence.

Common Wiring Problems and Solutions

Common Wiring Problems

Explore common wiring problems that Sprinter owners may encounter and the corresponding solutions. From loose connections to damaged wires, this section provides practical insights to address issues effectively. Save time and money by troubleshooting like a pro.

Maintenance and Optimization Tips

Understanding the 2015 Mercedes Sprinter wiring diagram not only helps in troubleshooting but also empowers you to maintain and optimize your vehicle's electrical system for peak performance.

Regular Maintenance: Keeping Your Wiring System Healthy

Vehicle Maintenance

Learn essential tips for maintaining a healthy wiring system. Regular checks, preventive measures, and proper care contribute to the longevity of your Sprinter's electrical components. This section provides a maintenance checklist for keeping your wiring system in top-notch condition.

Optimizing Performance: Tweaks and Upgrades

Sprinter Performance Optimization

For those looking to enhance their Sprinter's performance, this section explores tweaks and upgrades that can be made based on the insights gained from the wiring diagram. From optimizing power delivery to adding new features, discover ways to take your Sprinter to the next level.

Conclusion: Empowered Ownership through Wiring Knowledge

Congratulations! You've successfully navigated through the 2015 Mercedes Sprinter wiring diagram, gaining a profound understanding of its language and intricacies. Armed with this knowledge, you're not just a vehicle owner; you're an empowered enthusiast capable of maintaining, troubleshooting, and optimizing your Sprinter's electrical system with confidence.

Remember, the wiring diagram is your key to unlocking the mysteries beneath the hood. Whether you're on a quest for efficient troubleshooting or aiming to customize your Sprinter for a personalized driving experience, the insights gained from this guide will serve you well on your journey as a savvy Sprinter owner.

So, go ahead, open that service manual, or access the online resources, and embark on your own adventure into the world of the 2015 Mercedes Sprinter wiring diagram. Happy exploring!

Another point of view about 2015 MERCEDES SPRINTER WIRING DIAGRAM.

1. Begin by locating the 2015 Mercedes Sprinter wiring diagram in your vehicle's service manual or through reliable online resources.Familiarize yourself with the various symbols and codes used in the diagram, as illustrated in accompanying materials or guides.Pay attention to the color-coded wires, understanding the significance of each color in the wiring system.Follow the flow of wiring circuits on the diagram, mapping the connections between different components in your Sprinter.When troubleshooting, use the wiring diagram as your primary diagnostic tool, identifying potential issues by interpreting the diagram.In case of malfunctions or faults, refer to the section on common wiring problems and their corresponding solutions for effective troubleshooting.Regularly perform maintenance checks on your Sprinter's wiring system using the provided checklist to ensure its health and longevity.Explore optimization tips for enhancing your Sprinter's performance based on the insights gained from the wiring diagram.Take note of any tweaks or upgrades suggested in the guide, considering them as opportunities to customize and improve your Sprinter.As you conclude your exploration of the wiring diagram, feel empowered as a knowledgeable Sprinter owner capable of maintaining, troubleshooting, and optimizing the vehicle's electrical system with confidence.

Conclusion : Rev Up Your Ride with the Ultimate 2015 Mercedes Sprinter Wiring Diagram!.

Thank you for joining us on this illuminating journey through the intricacies of the 2015 Mercedes Sprinter wiring diagram. As we close the chapters on this comprehensive exploration, we hope you've gained a newfound appreciation for the importance of understanding your vehicle's electrical system. The wiring diagram serves as a vital tool, unraveling the mysteries beneath the hood and empowering you to navigate the intricate web of wires with confidence.

Whether you're a seasoned DIY enthusiast or a curious Sprinter owner, the knowledge acquired from deciphering the wiring diagram transforms you into a capable and informed vehicle owner. Armed with this understanding, you are now equipped to troubleshoot issues, perform regular maintenance, and even explore opportunities for customization and optimization. Remember, the 2015 Mercedes Sprinter wiring diagram is not just a technical document; it's your key to a more profound connection with your vehicle, allowing you to drive with confidence and maintain your Sprinter for years to come.

Question and answer Rev Up Your Ride with the Ultimate 2015 Mercedes Sprinter Wiring Diagram!

Questions & Answer :

1. Can I access the 2015 Mercedes Sprinter wiring diagram online?

  • Yes, you can! Many online platforms offer access to the wiring diagram for the 2015 Mercedes Sprinter. You can find it in the vehicle's service manual or on reputable automotive websites. Simply search for it, and you'll likely discover downloadable versions for your reference.

2. How can I interpret the symbols in the wiring diagram?

  • Interpreting symbols might seem daunting at first, but fear not! Most service manuals provide a key or guide that explains the symbols used in the wiring diagram. Take a moment to familiarize yourself with these symbols, and soon you'll be deciphering the diagram like a pro.

3. Are there common issues I can troubleshoot using the wiring diagram?

  • Absolutely! The wiring diagram is a powerful tool for troubleshooting common issues. If you're experiencing problems with lights, sensors, or other electrical components, the diagram helps you trace the circuits and identify potential culprits. It's like having a roadmap for diagnosing and fixing issues efficiently.

4. Can I make modifications to my Sprinter's electrical system using the wiring diagram?

  • Yes, you can make modifications, but it's crucial to proceed with caution. The wiring diagram provides insights into the existing system, helping you understand how components are connected. If you plan on adding new features or making changes, consult with professionals or follow guidelines provided in reliable resources to avoid potential issues.

5. How often should I refer to the wiring diagram for maintenance purposes?

  • Regular reference to the wiring diagram during maintenance checks is advisable. While you don't need to scrutinize it every time, consulting the diagram during routine inspections helps ensure that your Sprinter's electrical system remains in good health. It's a valuable tool for preemptive troubleshooting and maintaining optimal performance.

Remember, the 2015 Mercedes Sprinter wiring diagram is your ally in understanding and maintaining your vehicle's electrical system. Don't hesitate to explore its depths and use it as a guide for a smoother and more informed ownership experience.

Keywords : 2015 MERCEDES SPRINTER WIRING DIAGRAM

0 komentar