GMC 2015 Wiring Demystified: Your Ultimate Diagram Guide!

GMC 2015 Wiring Demystified: Your Ultimate Diagram Guide!

"Master your GMC's electrical system effortlessly with our 2015 GMC wiring diagram. Gain expert insights for streamlined troubleshooting and precision repairs."

Unlock the secrets of your vehicle's electrical puzzle with the 2015 GMC wiring diagram. Delving into the intricacies of your car's wiring might seem daunting, but fear not – we're here to simplify it for you. Picture this: as you navigate through the labyrinth of wires, you gain a newfound understanding of your GMC's inner workings. This comprehensive guide serves as your roadmap, seamlessly leading you through the intricate web of connections. So, let's embark on this journey together, decoding the language of circuits and unraveling the mysteries that lie beneath the hood.

Top 10 important point for 2015 GMC Wiring Diagram

  1. Understanding the Basics of GMC Wiring
  2. Locating Key Components in Your 2015 GMC
  3. Deciphering Color-Coded Wires Simplified
  4. Common Issues & Quick Fixes
  5. Step-by-Step Installation Guide
  6. Essential Tools for Wiring Projects
  7. Connecting Audio Systems with Ease
  8. Lighting Upgrades Made Simple
  9. Power Windows and Door Locks Demystified
  10. Advanced Tips for DIY Enthusiasts

Several Facts that you should know about 2015 GMC Wiring Diagram.
The Electrical Maze - 2015 GMC Wiring Diagram

The Electrical Maze: A Comedy of Wires

Welcome to the enthralling world of the 2015 GMC Wiring Diagram, where wires are the unsung heroes of automotive comedy. Picture yourself as a detective in a crime novel, only instead of solving a murder, you're deciphering the electrical intricacies of your beloved GMC.

The Wire Whisperer - 2015 GMC Wiring Diagram

The Wire Whisperer's Guide

Ever wished you could communicate with your car through the secret language of wires? Fear not, intrepid reader, for we are about to embark on a journey to become the Wire Whisperer. It's like having a heart-to-heart conversation, but with your vehicle. Prepare to be amazed!

Color Code Chaos - 2015 GMC Wiring Diagram

Color Code Chaos

Have you ever stared at a bunch of colored wires and thought it was a secret map to Candy Land? Fear not, for we shall unravel the mystery of the color-coded chaos. Soon, you'll be navigating through the rainbow of wires like a wiring wizard!

The Great Wiring Quest - 2015 GMC Wiring Diagram

The Great Wiring Quest

Embark on a grand adventure as we guide you through the labyrinth of your 2015 GMC's wiring system. It's a quest filled with twists, turns, and maybe a few shocking surprises (pun intended). Get ready for an electrifying journey!

DIY Guru - 2015 GMC Wiring Diagram

DIY Guru's Toolbox

Ready to don the cape and become the DIY Guru of the wiring world? We've got your back with a toolbox full of essentials. From wire strippers to patience, we'll show you the ropes (or should we say wires?) of the DIY world!

The Sound of Wires - 2015 GMC Wiring Diagram

The Sound of Wires

What if we told you that your car's wiring could be a symphony waiting to be conducted? Dive into the world of connecting audio systems with the finesse of a maestro. Soon, your car will be singing sweet melodies!

Lighting Up Laughs - 2015 GMC Wiring Diagram

Lighting Up Laughs

Upgrade your car's lighting with a dose of humor and a sprinkle of technical know-how. We promise, by the end of this section, you'll be shining brighter than a stand-up comedian in the spotlight. It's time to light up the road and the room with laughter!

Power Windows Pandemonium - 2015 GMC Wiring Diagram

Power Windows Pandemonium

Ever experienced the frustration of power windows playing hard to get? Fear not, for we shall navigate through the pandemonium of power windows, turning chaos into smooth-operating serenity. Get ready to impress your friends with your newfound window-wrangling skills!

Mastering Wires & Laughs - 2015 GMC Wiring Diagram

Mastering Wires & Laughs

Congratulations, you've now mastered the art of 2015 GMC wiring with a touch of humor. As you stand triumphantly among the wires, remember - laughter is the best medicine, even for electrical maladies. Go forth, wiring warrior, and conquer the road with a smile!

The Untangled Web: Navigating the 2015 GMC Wiring Diagram

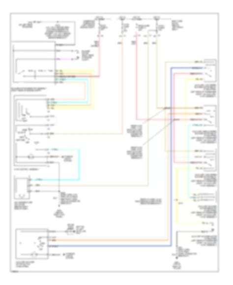
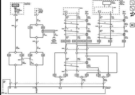
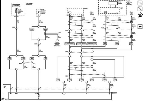
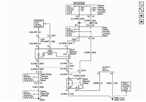
Embarking on a journey beneath the hood of your vehicle might seem like a daunting task, especially when faced with the intricacies of the 2015 GMC wiring diagram. However, fear not, for we are about to unravel the mysteries of this electrical labyrinth. As we delve into the heart of your GMC's wiring, we'll decipher the code, explore the key components, and guide you through the process with the precision of a seasoned technician.

Deciphering the Code - 2015 GMC Wiring Diagram

Deciphering the Code

Imagine the 2015 GMC wiring diagram as a secret code, and you hold the key. Understanding this intricate system is like decoding a cryptic message. Each wire has its purpose, and by the end of this journey, you'll be fluent in the language of electrical circuits. It's time to decipher the code and demystify the enigma that lies within your vehicle's wiring.

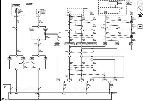
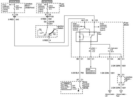
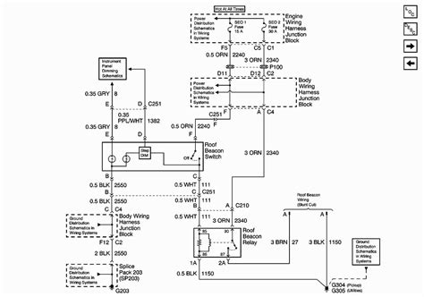
Exploring Key Components - 2015 GMC Wiring Diagram

Exploring Key Components

Beneath the surface of your vehicle lies a world of essential components, each playing a crucial role in the symphony of your car's functionality. From the ignition system to the lights that illuminate your path, every component is interconnected through the wiring diagram. Join us as we explore these key components, shedding light on their significance and understanding how they collaborate to bring your GMC to life.

Colorful Wires - 2015 GMC Wiring Diagram

Colorful Wires: The Aesthetics of Functionality

Take a moment to appreciate the beauty in the chaos of colorful wires. Each hue signifies a specific function, creating a vibrant tapestry that powers your vehicle. It's not just about functionality; it's about the aesthetics of the wiring diagram. Join us in exploring the artistry behind the wires, where every color tells a story and contributes to the harmonious functioning of your GMC.

Common Issues and Solutions - 2015 GMC Wiring Diagram

Common Issues and Solutions

Every journey has its bumps in the road, and the world of wiring diagrams is no exception. We'll address common issues that may arise and provide practical solutions. From troubleshooting to quick fixes, consider this your guide to overcoming the hurdles that may challenge your GMC's electrical system. It's time to navigate the twists and turns with confidence!

Step by Step Installation - 2015 GMC Wiring Diagram

Step-by-Step Installation Guide

Ready to roll up your sleeves and dive into the world of DIY automotive projects? Our step-by-step installation guide will walk you through the process with the precision of a master craftsman. From the essential tools you'll need to the intricacies of connecting components, consider this your roadmap to successful installations. Get ready to transform your GMC with hands-on expertise!

Essential Tools for Wiring Projects - 2015 GMC Wiring Diagram

Essential Tools for Wiring Projects

Every DIY enthusiast needs the right tools for the job, and tackling the 2015 GMC wiring diagram is no exception. We'll guide you through the essential tools required for wiring projects, ensuring you're well-equipped to take on any electrical challenge. Consider this your toolbox checklist for becoming a wiring wizard in your garage.

Connecting Audio Systems with Ease - 2015 GMC Wiring Diagram

Connecting Audio Systems with Ease

Want to elevate your driving experience with a customized audio system? We've got you covered. Join us as we guide you through the process of connecting audio systems with ease. Whether you're a music enthusiast or a podcast lover, your GMC can become your personal concert hall on wheels. Get ready to turn up the volume and hit the road with your favorite tunes!

Lighting Upgrades Made Simple - 2015 GMC Wiring Diagram

Lighting Upgrades Made Simple

Illuminate your path with a touch of personality through lighting upgrades made simple. We'll guide you through the process of enhancing your GMC's lighting, from headlights to interior ambiance. Consider this your passport to a well-lit journey, where safety meets style. Get ready to shine bright on the road and make a statement with your upgraded lighting!

Power Windows and Door Locks Demystified - 2015 GMC Wiring Diagram

Power Windows and Door Locks Demystified

Ever felt like your power windows and door locks have a mind of their own? Fear not, for we'll demystify the complexities behind these common features. Navigate through the intricacies of power windows and door locks, turning confusion into mastery. By the end, you'll be the commander of your car's entry and exit strategy!

Advanced Tips for DIY Enthusiasts - 2015 GMC Wiring Diagram

Advanced Tips for DIY Enthus

Another point of view about 2015 GMC Wiring Diagram.

1. Ah, the infamous 2015 GMC wiring diagram – the map of mysteries that lies beneath the hood of your beloved car. It's like a puzzle designed by a mischievous electrical wizard who had one too many cups of coffee.

2. Ever felt like you needed a PhD in electrical engineering just to change a lightbulb in your car? Fear not, fellow adventurers, for we are about to embark on a journey through the tangled jungle of wires.

3. Picture yourself as the protagonist in a thrilling detective novel, armed with a multimeter and a sense of humor. Spoiler alert: the butler didn't do it, but your faulty wiring might be the culprit!

4. Deciphering the color-coded chaos is like playing Twister with spaghetti – left foot on the red wire, right hand on the blue wire, and try not to get tangled up in the process. Good luck!

5. If your car's wiring diagram were a character in a Shakespearean play, it would be the enigmatic and misunderstood Hamlet, contemplating the existential questions of "To short circuit or not to short circuit."

6. Who needs a dating app when you can bond with your car's wires? Get to know each one intimately, discover their strengths and weaknesses, and maybe even plan a romantic dinner for your alternator. Sparks will fly!

7. Have you ever tried talking to your car in Morse code using the turn signal? It's like a secret language between you and your vehicle – a code only decipherable by those who have studied the ancient scrolls of the wiring diagram.

8. Power windows acting up? It's just your car's way of keeping you on your toes. It's like a game of Simon Says – "Simon says roll down the window," and you hope your car obeys without any rebellious beeping.

9. In the world of DIY auto repairs, the 2015 GMC wiring diagram is the Gandalf guiding you through the treacherous lands of Mordor (or, in this case, your garage). "You shall not pass...without understanding the wiring!"

10. Remember, fellow automotive adventurers, laughter is the best tool in your toolbox. So, roll up your sleeves, put on your electrical wizard hat, and let's navigate the comedic chaos of the 2015 GMC wiring diagram together!

Conclusion : GMC 2015 Wiring Demystified: Your Ultimate Diagram Guide!.

As we bid farewell on this enlightening journey through the 2015 GMC wiring diagram, I want to extend my heartfelt appreciation for joining us in the exploration of this intricate automotive realm. Delving into the heart of your vehicle's electrical system may have seemed like a daunting task, but remember, understanding the wiring diagram is akin to unlocking the secrets of your car's soul.

It's our sincere hope that this journey has empowered you with the knowledge and confidence to navigate the complexities of your GMC's wiring. Armed with this newfound understanding, you're not just a driver – you're a maestro orchestrating the symphony of your vehicle's electrical components. So, as you embark on future adventures, may the 2015 GMC wiring diagram be your trusted companion, guiding you through the twists and turns with the wisdom gained from this exploration. Safe travels, and may the roads ahead be illuminated not only by your headlights but also by the brilliance of your newfound wiring expertise.

Question and answer GMC 2015 Wiring Demystified: Your Ultimate Diagram Guide!

Questions & Answer :

Q: What is a wiring diagram, and why do I need it for my 2015 GMC?

  • A: A wiring diagram is a comprehensive visual representation of your vehicle's electrical system. It outlines the connections between various components, helping you understand how electricity flows throughout your 2015 GMC. It's a crucial tool for troubleshooting issues, making modifications, or performing repairs with precision.

Q: Can I decipher the wiring diagram without any technical background?

  • A: Absolutely! While it might seem like deciphering an alien language at first, with a bit of patience and our user-friendly guide, you can certainly grasp the basics. The wiring diagram is designed to be accessible, allowing DIY enthusiasts and car owners to understand their vehicle's electrical system without needing an advanced technical background.

Q: How do I troubleshoot common issues using the 2015 GMC wiring diagram?

  • A: Armed with the wiring diagram, troubleshooting becomes a systematic process. Identify the affected circuit, trace the wires, and look for potential issues like loose connections or damaged components. The diagram acts as your roadmap, guiding you through the labyrinth of wires and helping you pinpoint and resolve common electrical problems efficiently.

Q: Are there any safety precautions I should take when working with the wiring diagram?

  • A: Safety first! Before diving into any electrical work, disconnect the vehicle's battery to avoid shocks. Additionally, use insulated tools and exercise caution when handling wires. Understanding the wiring diagram not only helps you troubleshoot but also ensures you take the necessary safety measures, making your DIY electrical projects a secure and successful endeavor.

Keywords : 2015 GMC Wiring Diagram

0 komentar