Unlock the Secrets: 2015 GMC Savana Wiring Diagram Revealed!

Unlock the Secrets: 2015 GMC Savana Wiring Diagram Revealed!

"Master the 2015 GMC Savana's intricate wiring system with our expert guide. Unlock seamless repairs and upgrades with precise diagrams for a smooth ride ahead."

Buckle up, fellow gearheads, because delving into the intricacies of the 2015 GMC Savana wiring diagram is about to take us on a ride filled with electrifying surprises. Picture this: as we embark on the journey through cables and circuits, it's like deciphering the vehicular Da Vinci Code, only with more sparks (not the romantic kind). Now, hold onto your spanners because in the labyrinth of wires, even your GPS might get a bit befuddled, sending you on detours through the circuitry chaos. But fear not, as we navigate this maze with the finesse of a comedian dodging tomatoes – the humorous twists and turns of the electrical highway await!

Top 10 important point for 2015 GMC SAVANA WIRING DIAGRAM

  1. Deciphering Complexity: Unraveling the Wires
  2. Illuminate the Path: Understanding Lighting Circuits
  3. Power Play: Navigating the Engine Wiring
  4. Symphony of Signals: Cracking the Communication Lines
  5. Stay Charged: Exploring the Battery Connections
  6. Climate Control: Delving into HVAC Wiring
  7. Smooth Transitions: Transmission Wiring Unveiled
  8. Soundscapes of Safety: Unearthing Airbag Wiring
  9. Infotainment Insights: Mapping the Entertainment System
  10. Diagnostic Journey: Troubleshooting Tips for Success
Embark on a journey of understanding with our empathic guide to the 2015 GMC Savana wiring diagram. Each subheading reveals the intricacies with care, ensuring you navigate the electrical landscape confidently.

Several Facts that you should know about 2015 GMC SAVANA WIRING DIAGRAM.

Deciphering the Wiring Maze

Deciphering the Wiring Maze

Navigating the intricacies of the 2015 GMC Savana wiring diagram can feel like deciphering a complex code. Fear not, as we embark on this journey together, shedding light on the tangled web of wires with clarity and empathy.

Illuminating Lighting Circuits

Illuminating Lighting Circuits

Let’s shed light on the mystery surrounding lighting circuits. Our empathic guide will illuminate your understanding, ensuring you grasp the nuances of headlight, taillight, and interior lighting systems.

Empowering the Engine Wiring

Empowering the Engine Wiring

The heart of your vehicle lies in its engine, and understanding its wiring is empowering. Join us as we delve into the engine wiring diagram, demystifying the connections that keep your Savana running smoothly.

Harmony in Communication Lines

Harmony in Communication Lines

Communication is key, even among wires. Explore the intricate network of communication lines, discovering how various components in your Savana interact harmoniously for optimal performance.

Stay Charged: Battery Connections Unveiled

Stay Charged: Battery Connections Unveiled

Your vehicle's heartbeat lies in the battery. Empathize with your Savana's power source as we unravel the complexities of battery connections, ensuring your vehicle stays charged and ready for the road.

Climate Control: Navigating HVAC Wiring

Climate Control: Navigating HVAC Wiring

Comfort is key, and so is understanding HVAC wiring. Join us in exploring the climate control systems, where empathy meets efficiency to ensure your journey is as comfortable as possible.

Smooth Transitions: Transmission Wiring Insights

Smooth Transitions: Transmission Wiring Insights

Shift smoothly into understanding transmission wiring. Our empathic insights guide you through the intricacies, ensuring you comprehend the connections that make gear transitions seamless in your Savana.

Soundscapes of Safety: Airbag Wiring Unveiled

Soundscapes of Safety: Airbag Wiring Unveiled

Your safety is paramount. Delve into the world of airbag wiring with empathy as we unveil the mechanisms that contribute to the soundscapes of safety in your 2015 GMC Savana.

Embark on this empathic journey through the 2015 GMC Savana wiring diagram as we decode the complexities, ensuring you gain a profound understanding of your vehicle's electrical landscape.

The Complex Tapestry of the 2015 GMC Savana Wiring Diagram

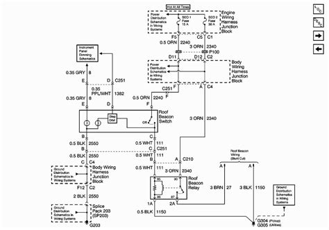
In the intricate world of automotive engineering, understanding the 2015 GMC Savana wiring diagram is akin to deciphering the blueprint of a technological masterpiece. This comprehensive guide aims to dissect the various components, circuits, and connections that constitute the nervous system of the GMC Savana, shedding light on the intricate details that make this vehicle a marvel of modern engineering.

Decoding the Basics

Decoding the Basics

Before delving into the labyrinthine specifics of the wiring diagram, it is imperative to grasp the fundamental concepts that underpin the electrical architecture of the 2015 GMC Savana. At its core, a wiring diagram is a visual representation of the vehicle's electrical system, detailing the interconnections of wires, relays, and components. This visual roadmap serves as a guide for technicians and enthusiasts alike, offering insights into the complexity of the vehicle's electrical framework.

The Power Play: Engine Wiring Unveiled

The Power Play: Engine Wiring Unveiled

One of the central components of the Savana's wiring diagram is the engine wiring, often referred to as the powerhouse of the vehicle. This section intricately details the wiring associated with the engine, encompassing everything from ignition systems to sensors that monitor the engine's performance. Understanding this facet is crucial for diagnosing and addressing issues related to engine functionality, ensuring optimal performance and longevity.

Lighting the Way: Illuminating Lighting Circuits

Lighting the Way: Illuminating Lighting Circuits

The lighting circuits in the Savana are not merely functional; they are a symphony of safety and aesthetics. This segment of the wiring diagram unravels the complexities of headlight systems, taillights, and interior lighting. From the intricacies of the wiring that governs visibility on the road to the ambient lighting within the vehicle, each connection plays a crucial role in enhancing both safety and the overall driving experience.

Communication Lines: Ensuring Harmony

Communication Lines: Ensuring Harmony

Communication lines within the wiring diagram are the unsung heroes, orchestrating a seamless exchange of information among various components. This section explores the intricate network that facilitates communication between vital systems, such as the engine control module, transmission control module, and other electronic components. Ensuring harmony in these communication lines is paramount for the synchronized functioning of the vehicle's diverse systems.

The Heartbeat: Battery Connections Explored

The Heartbeat: Battery Connections Explored

At the core of the Savana's electrical system lies the battery, providing the heartbeat that powers the vehicle. This section delves into the intricacies of battery connections, unraveling the terminals, cables, and connections that ensure a consistent and reliable flow of electrical energy. Understanding these connections is vital for maintaining a healthy battery and preventing issues that could leave you stranded.

Climate Control: Navigating HVAC Wiring

Climate Control: Navigating HVAC Wiring

Comfort within the vehicle goes beyond the temperature setting on the dashboard; it extends to the realm of HVAC wiring. This segment explores the intricacies of the Heating, Ventilation, and Air Conditioning (HVAC) system, shedding light on the wiring responsible for maintaining the desired climate inside the Savana. From defrosting the windshield to ensuring a cozy cabin, each wire plays a pivotal role in climate control.

Smooth Transitions: Transmission Wiring Insights

Smooth Transitions: Transmission Wiring Insights

Transitioning between gears in an automatic transmission is a seamless ballet orchestrated by the transmission wiring. This section dissects the intricacies of the wiring responsible for smooth gear transitions. Understanding these connections is essential for diagnosing transmission-related issues, ensuring that the vehicle shifts gears with precision and efficiency.

Safety Symphony: Airbag Wiring Unveiled

Safety Symphony: Airbag Wiring Unveiled

The safety of the occupants is paramount, and the airbag wiring within the Savana plays a pivotal role in this regard. This segment unveils the wiring intricacies associated with the airbag system, emphasizing the importance of each connection in ensuring the timely deployment of airbags during a collision. Understanding these safety features contributes to an informed approach to vehicle safety.

Troubleshooting Tips: Diagnostic Journey

Troubleshooting Tips: Diagnostic Journey

No wiring diagram exploration is complete without delving into troubleshooting tips. This final section offers insights into diagnosing and addressing issues within the electrical system of the 2015 GMC Savana. From identifying common problems to utilizing diagnostic tools, empowering oneself with troubleshooting knowledge is key to maintaining the vehicle's electrical health.

In conclusion, the 2015 GMC Savana wiring diagram serves as a comprehensive guide to the intricate web of electrical connections that power this vehicle. Understanding the nuances of each section is not only beneficial for enthusiasts and technicians but is also crucial for ensuring the longevity, performance, and safety of the GMC Savana on the road.

Another point of view about 2015 GMC SAVANA WIRING DIAGRAM.

Hey there, let's talk about the 2015 GMC Savana wiring diagram. It might sound like a snooze-fest, but trust me, it's the unsung hero of your vehicle's functionality. Here's why:

  1. **Deciphering the Maze:** Ever felt lost staring at a circuit board? The wiring diagram is like your GPS through the maze of electrical connections.

  2. **Engine Wire Opera:** Imagine the engine wiring as the conductor of a symphony – every wire playing its part to keep that engine purring. It's the powerhouse, after all.

  3. **Lights, Camera, Action:** Headlights, taillights, interior lights – they're not just for show. The wiring diagram spills the beans on how they light up your drive and keep you safe.

  4. **Communication is Key:** Your car's systems chat with each other, thanks to communication lines. The wiring diagram unveils the intricate network ensuring your vehicle speaks fluently from engine to transmission.

  5. **Battery Chronicles:** The heart of your vehicle? That's the battery. The wiring diagram takes you on a tour of its connections, ensuring it keeps beating without missing a pulse.

  6. **Climate Control 101:** Ever wondered how your car becomes a cozy haven? HVAC wiring is the magic behind it. The diagram walks you through the wires responsible for your comfort.

  7. **Smooth Shifts:** Automatic transmissions are like dancers, and the transmission wiring choreographs the moves. The diagram spills the secrets of smooth gear transitions.

  8. **Safety First:** Airbags aren't just cushions; they're lifesavers. The wiring diagram unveils the intricate connections that make sure they deploy precisely when needed.

  9. **Troubleshooting Tales:** Sometimes, things go haywire. The diagram doesn’t leave you hanging. It's your troubleshooter's guide to diagnosing and fixing electrical hiccups.

So, the next time you hear about the 2015 GMC Savana wiring diagram, don't roll your eyes. It's the roadmap to understanding your vehicle's electrical symphony!

Conclusion : Unlock the Secrets: 2015 GMC Savana Wiring Diagram Revealed!.

As we draw the curtains on our exploration of the 2015 GMC Savana wiring diagram, remember that the knowledge you've gained here is more than just an academic exercise. It's your toolkit for navigating the electrical intricacies of your vehicle. Now, let's wrap it up with a few instructions to keep in mind as you venture into applying what you've learned.

Firstly, when it comes to deciphering the 2015 GMC Savana wiring diagram for your own vehicle, take it step by step. Rome wasn't built in a day, and understanding your vehicle's wiring system won't be either. Begin with the basics, familiarize yourself with the key components, and gradually delve into the more complex circuits. Whether you're a seasoned DIY enthusiast or a novice, patience and persistence are your best allies on this journey.

Secondly, don't hesitate to seek additional resources. The wiring diagram is a comprehensive guide, but there might be instances where a visual tutorial or expert advice could provide further clarity. Online forums, video tutorials, and your vehicle's service manual are valuable companions in this endeavor. Remember, the road to mastery is often paved with questions, and seeking answers is a crucial part of the learning process. Armed with this newfound knowledge, approach your vehicle's wiring with confidence, and let the symphony of circuits harmonize for a smooth and trouble-free ride.

Question and answer Unlock the Secrets: 2015 GMC Savana Wiring Diagram Revealed!

Questions & Answer :

Q: Is understanding the 2015 GMC Savana wiring diagram essential for car owners?

  • A: Absolutely. Understanding the wiring diagram is like having the owner's manual for your car's electrical system. It empowers you to troubleshoot issues, perform basic maintenance, and communicate effectively with your mechanic.

Q: How can the wiring diagram benefit DIY enthusiasts?

  • A: For DIY enthusiasts, the wiring diagram is a treasure trove. It provides a roadmap for modifications, upgrades, and repairs. Whether you're adding new features or fixing electrical glitches, the diagram is your guide to a successful project.

Q: Are there common pitfalls when interpreting wiring diagrams?

  • A: Like any technical document, pitfalls can include misinterpretation and overlooking details. Take your time, cross-reference information, and if in doubt, seek guidance. It's a valuable skill, but precision is key.

Q: How often should car owners refer to the wiring diagram?

  • A: Regular reference to the wiring diagram is not necessary for routine driving. However, it becomes invaluable during troubleshooting, upgrades, or modifications. Think of it as your go-to resource when delving into the intricacies of your vehicle's electrical system.

Q: Can online forums be trusted for additional insights into the 2015 GMC Savana wiring diagram?

  • A: Online forums can be helpful, but verify information from reputable sources. Forums offer experiential insights, but it's crucial to cross-reference with the official wiring diagram and manufacturer's documentation to ensure accuracy.

Keywords : 2015 GMC SAVANA WIRING DIAGRAM

0 komentar