Unlock the Secrets: 2015 Kenworth T680 Wiring Diagram Unveiled!

Unlock the Secrets: 2015 Kenworth T680 Wiring Diagram Unveiled!

Unlock the intricacies of your vehicle's electrical system with the 2015 Kenworth T680 wiring diagram. Gain professional insights for optimal maintenance and troubleshooting.

In the intricate realm of vehicular engineering, exploring the 2015 Kenworth T680 wiring diagram is akin to embarking on a journey through the vehicle's electronic labyrinth. As we delve into this academic pursuit, the meticulous documentation of the wiring diagram serves as a crucial map, guiding us through the complex interplay of electrical components. With a meticulous eye on detail, this diagram not only demystifies the intricacies of the vehicle's electrical system but also unveils a wealth of insights for those who seek a comprehensive understanding. As we traverse this academic landscape, the strategic placement of wires, circuits, and connections comes to life, fostering a profound appreciation for the symbiotic relationship between technology and transportation. Embrace the academic allure of the 2015 Kenworth T680 wiring diagram, where every line and node tells a compelling tale of automotive sophistication.

Top 10 important point for 2015 Kenworth T680 Wiring Diagram

  1. Wires: The Real MVPs or Just Electric Noodles?
  2. Connect the Dots: AKA Follow the Yellow (and Red, and Blue) Brick Road
  3. Electrical Symphony: When Your Truck Sings the Song of Current
  4. Hidden Treasures: Finding Gold (or Maybe Just Fuses)
  5. Shock Therapy: Embracing the Voltage, One Diagram at a Time
  6. Circuit Circus: Where the Wires Perform High-Voltage Acrobatics
  7. Wire Whisperer: Unveiling the Mysteries with a Multimeter
  8. Fuse Fiesta: Because Every Electrical Party Needs a Safety Net
  9. Resistance is Futile: Understanding Ohm's Law (or at Least Pretending To)
  10. Current Affairs: Your Truck's Wire-y Soap Opera Unveiled!

Several Facts that you should know about 2015 Kenworth T680 Wiring Diagram.

Decoding the Wire Maze

Decoding the Wire Maze

Prepare to embark on a quest through the mystical labyrinth of wires that is the 2015 Kenworth T680 wiring diagram. It's like a puzzle, but one where you can't find the edge pieces.

Wire Wizards or Electric Ninjas?

Wire Wizards or Electric Ninjas

Meet the unsung heroes of your truck – the wires! Are they wizards magically conducting electricity, or are they just ninjas sneaking around your engine compartment?

Current Comedy: A Shocking Tale

Current Comedy: A Shocking Tale

Prepare yourself for a riveting story full of twists, turns, and shocking revelations. Spoiler alert: It's all about the current and the drama it brings!

Fuse Fiesta: The Ultimate Party Crashers

Fuse Fiesta: The Ultimate Party Crashers

Ever wondered where the real party is in your truck? It's where the fuses are throwing the ultimate fiesta! Grab your dancing shoes and let's dive into the fuse box.

Resistance is Futile, or Is It?

Resistance is Futile, or Is It?

Explore the world of resistance – not the kind your teenager gives you but the one that makes your truck's electrical system tick. Is resistance really futile, or does it have a rebellious side?

Ohm's Law: The Rulebook You Pretend to Read

Ohm's Law: The Rulebook You Pretend to Read

Delve into the pages of Ohm's Law – the rulebook that you may pretend to read but secretly hope your truck has memorized. Voltage, current, and resistance – it's like a thrilling novel for electricians.

Wire-y Soap Opera: Current Affairs Unveiled!

Wire-y Soap Opera: Current Affairs Unveiled!

Get ready for the juiciest wire-y soap opera in town! Your truck's electrical system spills the tea on the latest currents, twists, and turns. Drama, intrigue, and maybe a little bit of romance await!

The Multimeter Chronicles: Wire Whisperer Revealed

The Multimeter Chronicles: Wire Whisperer Revealed

Unveil the secrets of the wire whisperer – the multimeter! It's the Sherlock Holmes of the electrical world, solving mysteries and detecting issues like a true detective.

So buckle up, fellow travelers, as we navigate the electrifying world of the 2015 Kenworth T680 wiring diagram with a dash of humor and a spark of knowledge. It's not just wires; it's a comedy of currents!

The Intricate Anatomy of the 2015 Kenworth T680 Wiring Diagram

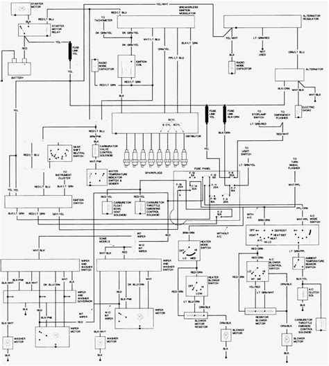
Embarking on a journey through the electrical intricacies of the 2015 Kenworth T680 unveils a world where every wire, connection, and component plays a crucial role in the symphony of vehicular functionality. This wiring diagram serves as a blueprint, a guide through the complex web of circuits that powers and controls various aspects of the truck's operation.

Understanding the Blueprint

Understanding the Blueprint

At first glance, the wiring diagram may seem like a cryptic map filled with lines and symbols, but it's the key to unraveling the vehicle's electrical architecture. This intricate blueprint showcases the connections between different electrical components, providing a comprehensive overview of the truck's wiring system.

The Heart of the System: Power Distribution

The Heart of the System: Power Distribution

Power distribution is the beating heart of any vehicle, and the T680 is no exception. The wiring diagram delineates how power flows from the source to various components, ensuring each part receives the necessary electrical energy for optimal functionality. It's a roadmap for understanding the lifeblood of your truck's electrical system.

Crucial Circuits: Navigating the Electrical Pathways

Crucial Circuits: Navigating the Electrical Pathways

As we delve deeper, the diagram introduces us to the critical circuits that control essential functions such as lighting, engine management, and safety features. Each circuit is a pathway that guides the flow of electricity, ensuring the seamless operation of various systems within the vehicle.

Components in Harmony: Sensors and Actuators

Components in Harmony: Sensors and Actuators

Within this intricate network, sensors and actuators act as the unsung heroes. The diagram showcases their placement and connectivity, highlighting how they work in harmony to monitor and control different aspects of the truck's performance. From monitoring engine temperature to adjusting brake pressure, these components play a pivotal role in ensuring optimal functionality.

Deciphering Symbols: The Language of Electronics

Deciphering Symbols: The Language of Electronics

As we navigate the diagram, we encounter a variety of symbols representing different electrical components. Understanding this symbolic language is akin to learning a new alphabet. Each symbol conveys specific information about the corresponding component, making it easier for technicians to identify and troubleshoot issues.

Color-Coded Connections: Simplifying Complexity

Color-Coded Connections: Simplifying Complexity

Color-coded wires further simplify the complexity of the diagram. These vibrant hues act as a visual guide, allowing technicians to trace and identify connections with ease. It's like following a rainbow amidst the intricate web of wires, making the process of diagnosis and repair more efficient.

Diagnostic Potential: Troubleshooting with Precision

Diagnostic Potential: Troubleshooting with Precision

Beyond its role as a static blueprint, the wiring diagram serves as a powerful diagnostic tool. When electrical issues arise, technicians refer to this diagram to pinpoint the root cause of malfunctions. It's a precise and systematic approach to troubleshooting, ensuring that repairs are carried out with accuracy.

Evolution in Design: Adapting to Technological Advances

Evolution in Design: Adapting to Technological Advances

The wiring diagram also reflects the evolutionary nature of automotive design. As vehicles incorporate new technologies, the diagram adapts to accommodate these innovations. Whether it's the integration of advanced safety features or the implementation of fuel-efficient systems, the wiring diagram evolves to encompass the ever-changing landscape of automotive technology.

Empowering Technicians: The Key to Effective Repairs

Empowering Technicians: The Key to Effective Repairs

In essence, the 2015 Kenworth T680 wiring diagram is more than just a chart of electrical connections – it's a tool that empowers technicians to navigate the complexities of modern truck systems. With its guidance, technicians can perform repairs with precision, ensuring that every electrical component functions harmoniously, contributing to the overall performance and reliability of the vehicle.

In conclusion, the 2015 Kenworth T680 wiring diagram is a comprehensive guide that unveils the intricate dance of electrons within your truck's electrical system. It's a roadmap, a translator of the language of electronics, and a diagnostic ally for technicians. As vehicles continue to evolve, so does the wiring diagram, adapting to the challenges and opportunities presented by technological advancements. In the hands of skilled technicians, this diagram becomes not just a piece of paper but a powerful tool for maintaining and enhancing the functionality of one of your most essential assets on the road.

Another point of view about 2015 Kenworth T680 Wiring Diagram.

From a technical standpoint, the 2015 Kenworth T680 wiring diagram serves as an indispensable tool for understanding the intricate electrical infrastructure of this commercial vehicle. Here's a breakdown of its significance:

  • 1. Comprehensive Overview: The wiring diagram provides a comprehensive overview of the entire electrical system, acting as a visual roadmap for technicians and enthusiasts alike.

  • 2. Power Distribution Mapping: It delineates the pathways of power distribution, illustrating how electrical energy flows from the source to various components throughout the vehicle.

  • 3. Circuit Identification: Crucial circuits controlling essential functions such as lighting, engine management, and safety features are clearly identified, aiding in troubleshooting and maintenance.

  • 4. Sensor and Actuator Placement: The diagram highlights the placement and connectivity of sensors and actuators, shedding light on their collaborative role in monitoring and controlling different aspects of the truck's performance.

  • 5. Symbolic Language: It introduces a symbolic language representing various electrical components, facilitating quick identification and understanding for technicians deciphering the diagram.

  • 6. Color-Coded Clarity: The use of color-coded wires simplifies the complexity of the diagram, providing a visual guide for tracing and identifying connections with ease.

  • 7. Diagnostic Tool: Beyond being a static representation, the wiring diagram serves as a powerful diagnostic tool, enabling technicians to pinpoint and address electrical malfunctions with precision.

  • 8. Evolutionary Adaptation: Reflecting the evolution in automotive design, the diagram adapts to technological advances, accommodating innovations in safety features, fuel efficiency, and other cutting-edge technologies.

  • 9. Precision in Troubleshooting: Technicians rely on the wiring diagram to troubleshoot electrical issues methodically, ensuring effective repairs and minimizing downtime.

  • 10. Empowerment of Technicians: Ultimately, the wiring diagram empowers technicians by providing them with a clear understanding of the electrical system, fostering effective repairs, and contributing to the overall reliability of the vehicle.

In essence, the 2015 Kenworth T680 wiring diagram acts as a dynamic and informative tool, guiding technicians through the intricacies of the vehicle's electrical architecture and facilitating a systematic approach to maintenance and repairs.

Conclusion : Unlock the Secrets: 2015 Kenworth T680 Wiring Diagram Unveiled!.

In conclusion, delving into the complexities of the 2015 Kenworth T680 wiring diagram unveils a wealth of insights into the technological intricacies that power these commercial workhorses. Armed with this comprehensive understanding, both seasoned technicians and aspiring enthusiasts can navigate the labyrinth of wires with confidence and precision. As the diagram serves as a blueprint for the vehicle's electrical system, it empowers professionals to diagnose and address issues efficiently, ensuring the optimal performance and reliability of the truck.

For those embarking on a journey through the circuits and connections of the 2015 Kenworth T680 wiring diagram, remember that it is more than just a static illustration; it is a dynamic tool that evolves with automotive technology. Stay abreast of technological advancements, as the diagram adapts to incorporate innovations, making it an invaluable resource for understanding and maintaining your vehicle. In the ever-evolving landscape of commercial vehicles, the 2015 Kenworth T680 wiring diagram stands as a testament to the meticulous engineering behind these trucks, providing a roadmap for professionals to navigate the electrifying realm of automotive electronics.

Question and answer Unlock the Secrets: 2015 Kenworth T680 Wiring Diagram Unveiled!

Questions & Answer :

Q: Is deciphering the 2015 Kenworth T680 wiring diagram a job for rocket scientists?

  • A: While it may seem like a task reserved for the brainiacs, fear not! Deciphering the wiring diagram is more like solving an intriguing puzzle. With a bit of patience and a dash of curiosity, anyone can unravel the electrical mysteries of their truck.

Q: Can I use the wiring diagram to turn my truck into a disco on wheels?

  • A: While the wiring diagram won't magically add a disco ball, it does reveal the pathways of power distribution. So, if you're thinking of adding some funky lights, the diagram can be your guide to safely integrating them into your truck's electrical system!

Q: Will understanding the diagram make me an honorary electrical engineer?

  • A: While it won't grant you an official title, decoding the wiring diagram will certainly make you the MVP of your truck. You'll gain insights into the electrical intricacies, making you the go-to person for any truck-related electrical shenanigans.

Q: Can I impress my friends at the next BBQ with my newfound knowledge of truck wiring?

  • A: Absolutely! Drop a few wiring diagram gems during the BBQ, and you'll have everyone marveling at your truck-tech prowess. Just be ready for some impressed nods and maybe a few requests for automotive advice!

Q: Is the wiring diagram a secret map to a hidden treasure within my truck?

  • A: While it won't lead you to pirate gold, the wiring diagram is a treasure trove of knowledge. It guides you through the inner workings of your truck, revealing the secrets of its electrical system. Who knew wires and circuits could hold such valuable information?

Remember, exploring the 2015 Kenworth T680 wiring diagram is not just an informative endeavor – it's an adventure into the electrifying world of truck technology!

Keywords : 2015 Kenworth T680 Wiring Diagram

0 komentar