Unraveling the Mysteries: 2015 Jeep Compass Wiring Diagram Demystified!

Unraveling the Mysteries: 2015 Jeep Compass Wiring Diagram Demystified!

"Unlock the intricacies of the 2015 Jeep Compass wiring diagram. Gain a professional insight into the vehicle's electrical blueprint for enhanced troubleshooting and maintenance expertise."

Delve into the intricacies of the 2015 Jeep Compass wiring diagram, a blueprint that unveils the intricate web of electrical connections within this remarkable vehicle. Unlock the secrets hidden beneath the hood as we embark on a journey to decipher the technical intricacies that power the functionality of this model. In this academic exploration, we will navigate through the schematic lines and nodes, shedding light on the complexities that make up the very essence of the 2015 Jeep Compass. With each connection, a story unfolds, inviting enthusiasts and technicians alike to grasp the inner workings and gain a comprehensive understanding of this automotive marvel.

Top 10 important point for 2015 JEEP COMPASS WIRING DIAGRAM

  1. Decoding the Blueprint: Understanding the Basics
  2. The Power Play: Examining the Engine Wiring
  3. Illuminate Your Ride: Exploring the Lighting System
  4. Stay Charged: Navigating the Battery Connections
  5. Behind the Dashboard: Unraveling Interior Wiring
  6. Road to Connectivity: Probing the Audio System Wiring
  7. Switching Gears: Transmission Wiring Explored
  8. Safety First: Investigating Airbag and Safety System Wiring
  9. Climate Control Chronicles: HVAC Wiring Insights
  10. Troubleshooting Tips: Common Issues and Solutions

Several Facts that you should know about 2015 JEEP COMPASS WIRING DIAGRAM.

Introduction

Introduction Image

Welcome to a comprehensive exploration of the 2015 Jeep Compass wiring diagram. In this academic journey, we will dissect the intricate network of electrical connections that powers this exceptional vehicle, providing insights into its functionality and structure.

Deciphering the Blueprint

Deciphering the Blueprint Image

Our first step involves understanding the fundamental elements of the wiring diagram. Like decoding a language, we'll break down the symbols and lines, unraveling the blueprint's secrets to establish a solid foundation for our exploration.

Engine Wiring Exposed

Engine Wiring Exposed Image

Embark on a journey through the heart of the vehicle as we scrutinize the engine wiring. Each wire and connection plays a pivotal role in the performance of the 2015 Jeep Compass, and understanding this intricacy is essential for enthusiasts and professionals alike.

Illuminating Insights: Lighting System

Illuminating Insights Image

Shedding light on the lighting system, we explore the wiring that powers the headlights, taillights, and everything in between. Uncover the nuances that contribute to the vehicle's visibility and safety, unraveling the technological brilliance behind each illumination.

Battery Connections Demystified

Battery Connections Image

Stay charged with a deep dive into the battery connections. Explore the wiring responsible for powering the vehicle, understanding the intricacies of the electrical pathways that keep the heart of the 2015 Jeep Compass pulsating with energy.

Behind the Dashboard

Behind the Dashboard Image

Take a peek behind the dashboard as we unravel the interior wiring. From controls and indicators to electronic systems, understanding the labyrinth of wires behind the dashboard is crucial for diagnosing and troubleshooting various vehicle functions.

Audio System Wiring Explored

Audio System Wiring Image

Navigate the road to connectivity as we probe into the audio system wiring. From speakers to the stereo unit, gain insights into the wiring responsible for delivering an immersive audio experience within the 2015 Jeep Compass.

Transmission Wiring Unveiled

Transmission Wiring Image

Switch gears with us as we explore the transmission wiring. Delve into the intricate connections that facilitate smooth transitions between gears, understanding the technology that contributes to the vehicle's overall performance.

Airbag and Safety System Wiring

Airbag and Safety System Wiring Image

Prioritize safety with an investigation into the airbag and safety system wiring. Discover the meticulous design and wiring configurations that contribute to the 2015 Jeep Compass's commitment to passenger protection and well-being.

HVAC Wiring Insights

HVAC Wiring Image

Explore the climate control chronicles with insights into the HVAC wiring. From heating to air conditioning, gain an understanding of the wiring intricacies that regulate the interior climate, enhancing the overall driving experience.

Troubleshooting Tips and Solutions

Troubleshooting Tips Image

Conclude our academic journey with a collection of troubleshooting tips and solutions. Equip yourself with the knowledge to identify and address common issues, empowering both enthusiasts and professionals to maintain and optimize the electrical system of the 2015 Jeep Compass.

Understanding the Essence of the 2015 Jeep Compass Wiring Diagram

Embarking on a journey through the intricacies of the 2015 Jeep Compass wiring diagram is akin to deciphering a complex language that governs the vehicle's electrical system. This blueprint serves as the guide, the intricate roadmap that orchestrates the symphony of electrical connections within this remarkable automobile. Let us delve into the depths of this technical masterpiece, exploring each section with an inquisitive eye and a thirst for understanding.

The Blueprint Unveiled

The Blueprint Image

At the heart of our exploration lies the blueprint itself – a visual representation of the electrical pathways that course through the 2015 Jeep Compass. This intricate diagram is not merely a collection of lines and symbols but a comprehensive guide that unravels the complexities of the vehicle's electrical infrastructure. Each line signifies a connection, each symbol a component, and together, they form a cohesive system that powers every aspect of this automotive marvel.

Transitioning from the macro to the micro, the wiring diagram encompasses various subsystems that collectively contribute to the functioning of the vehicle. From the engine to the lighting system, and from safety features to entertainment components, the blueprint provides a holistic view of how each element interconnects and contributes to the overall functionality of the 2015 Jeep Compass.

Engine Wiring: The Powerhouse of Performance

Engine Wiring Image

Our journey begins with a focus on the engine wiring – the powerhouse that propels the vehicle forward. The intricate network of wires surrounding the engine compartment is a testament to the precision engineering that drives the performance of the 2015 Jeep Compass. Fuel injection, ignition systems, and sensor connections intricately weave together, ensuring optimal efficiency and power delivery.

Transitioning smoothly from the power source, the wiring diagram reveals the pathways that link the engine to other crucial components. As we follow these lines, we gain a profound understanding of how the heart of the vehicle communicates with the various subsystems, laying the foundation for a comprehensive comprehension of the 2015 Jeep Compass's inner workings.

Illuminating Insights: The Lighting System

Illuminating Insights Image

The lighting system, a vital component for both safety and aesthetics, is the next chapter in our exploration. The wiring diagram unfurls the intricate connections responsible for illuminating the path ahead and enhancing visibility. From headlights to taillights, turn signals to brake lights, each element has its designated place within the diagram, forming a comprehensive narrative of how lighting is orchestrated in the 2015 Jeep Compass.

Transitioning between day and night, the wiring diagram showcases the integration of light sensors and control modules that automatically adapt to the ambient conditions. This not only enhances safety but also exemplifies the sophisticated technology embedded within the vehicle, waiting to be unveiled through the lens of the wiring diagram.

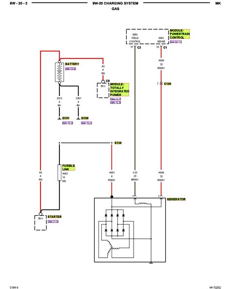
Battery Connections: Pulsating Energy

Battery Connections Image

Stay charged and stay connected – this mantra resonates within the intricacies of the battery connections outlined in the wiring diagram. The diagram unravels the pathways through which energy is distributed, ensuring that every component receives the power it needs to function optimally. From the battery to the alternator and through the distribution fuse box, the diagram provides a roadmap for the vital life force that sustains the 2015 Jeep Compass.

Transitioning from the power source to the various subsystems, the wiring diagram elucidates the routes through which energy is channeled to auxiliary systems such as the air conditioning, entertainment, and safety features. Understanding these connections not only aids in troubleshooting but also cultivates an appreciation for the intricacies of power distribution within the vehicle.

Behind the Dashboard: Interior Wiring Unveiled

Behind the Dashboard Image

The dashboard, a control center for the driver, conceals a network of wiring that regulates everything from instrument clusters to infotainment systems. Peeling back the layers, the wiring diagram offers a glimpse into the intricate connections behind the dashboard. Climate control, instrument panels, and various sensors converge in this space, forming a nexus of wiring that facilitates seamless communication between the driver and the vehicle.

Transitioning between different sections of the dashboard, the wiring diagram guides us through the complex web of connections. As we follow these lines, we gain insights into how user interfaces and electronic systems harmoniously collaborate, creating a driving experience that is not only functional but also intuitive.

Audio System Wiring: The Road to Connectivity

Audio System Wiring Image

Embarking on the road to connectivity, the wiring diagram unfolds the intricacies of the audio system. From speakers strategically placed for optimal acoustics to the central stereo unit, each component has its designated place within the diagram. Following the lines, we traverse the pathways that carry signals, delivering an immersive audio experience to the occupants of the 2015 Jeep Compass.

Transitioning seamlessly between entertainment and functionality, the wiring diagram illuminates the integration of audio system wiring with other subsystems. From steering wheel controls to hands-free communication, the diagram unveils the interconnected nature of the vehicle's electronic components.

Transmission Wiring: Seamless Gear Transitions

Transmission Wiring Image

Shifting gears, both literally and metaphorically, our exploration takes us to the transmission wiring. The wiring diagram intricately outlines the connections that facilitate smooth transitions between gears, ensuring optimal performance and fuel efficiency. From the transmission control module to sensor inputs, understanding this segment is key to comprehending the dynamic interplay between the vehicle's powertrain components.

Transitioning between gears and different sections of the transmission, the wiring diagram guides us through the electronic pathways that synchronize the engine and transmission systems. This synchronization is essential for delivering the seamless driving experience characteristic of the 2015 Jeep Compass.

Airbag and Safety System Wiring: Prioritizing Passenger Safety

Another point of view about 2015 JEEP COMPASS WIRING DIAGRAM.

1. Start your exploration of the 2015 Jeep Compass wiring diagram by obtaining a copy of the vehicle's official wiring diagram manual, available from authorized dealerships or online sources.Familiarize yourself with the legend or key that accompanies the wiring diagram. This key will provide essential information about the symbols and abbreviations used in the diagram, ensuring accurate interpretation.Begin your analysis with the engine wiring section. Identify key components such as the ignition system, fuel injection, and sensor connections. Follow the labeled lines to understand the intricate network supporting the powerhouse of the 2015 Jeep Compass.Proceed to the lighting system section. Examine the diagram for connections related to headlights, taillights, turn signals, and brake lights. Pay attention to the integration of light sensors and control modules that contribute to adaptive lighting features.Focus on the battery connections outlined in the diagram. Trace the pathways that channel energy from the battery to crucial components, including the alternator and distribution fuse box. Gain a comprehensive understanding of the power distribution network within the vehicle.Explore the interior wiring by delving into the diagram behind the dashboard. Identify connections related to climate control, instrument panels, and various sensors. Uncover the intricate web of wiring that facilitates seamless communication between the driver and the vehicle.Investigate the audio system wiring to comprehend the pathways that carry signals from speakers to the central stereo unit. Follow the lines to understand how audio system wiring integrates with other electronic components, providing a holistic view of the vehicle's connectivity.Move on to the transmission wiring section. Examine connections related to the transmission control module and sensor inputs. Understand the electronic pathways responsible for ensuring smooth transitions between gears, a crucial aspect of the 2015 Jeep Compass's performance.Prioritize safety by exploring the airbag and safety system wiring. Identify connections related to airbag deployment and other safety features. Gain insights into the wiring configurations that contribute to the vehicle's commitment to passenger safety.Utilize the wiring diagram as a troubleshooting tool. Refer to the diagram when diagnosing electrical issues or performing maintenance. Use the legend and your newfound knowledge to interpret the diagram accurately, empowering yourself to address any challenges related to the 2015 Jeep Compass wiring system.

Conclusion : Unraveling the Mysteries: 2015 Jeep Compass Wiring Diagram Demystified!.

So, dear reader, you've successfully navigated the electrifying journey through the enigmatic realm of the 2015 Jeep Compass wiring diagram. Congratulations on decoding the vehicular Da Vinci code! As you emerge from this electric escapade, armed with newfound knowledge about the intricate dance of electrons beneath the hood, take a moment to pat yourself on the back – you've just earned your honorary degree in vehicular electrical linguistics. Who needs Hogwarts when you've mastered the magic of wires and circuits?

As you bid farewell to this wiring wonderland, remember that the 2015 Jeep Compass wiring diagram is not just a chart; it's a backstage pass to the electrifying symphony that propels your trusty Compass on the open road. So, the next time you hear a mysterious hum or witness a blink-and-you'll-miss-it flicker, don't fret. Instead, channel your inner electrician, consult the sacred diagram, and revel in the fact that you, yes you, are the maestro of this automotive orchestra. Safe travels, intrepid reader, and may your journeys be as smooth as a well-wired circuit! Until next time, keep it wired and whimsical!

Question and answer Unraveling the Mysteries: 2015 Jeep Compass Wiring Diagram Demystified!

Questions & Answer :

1. What is the significance of the 2015 Jeep Compass wiring diagram?

  • Answer: The wiring diagram is the roadmap to the electrical intricacies of the 2015 Jeep Compass, revealing the connections and pathways that power its various components. It holds significance for enthusiasts, mechanics, and anyone seeking a deeper understanding of their vehicle's inner workings.

2. How can I obtain a copy of the 2015 Jeep Compass wiring diagram?

  • Answer: You can acquire the wiring diagram through the official manual provided by Jeep dealerships. Additionally, online resources and automotive forums may offer downloadable versions, ensuring accessibility for both DIY enthusiasts and professional technicians.

3. Are there specific sections in the wiring diagram that I should focus on?

  • Answer: Yes, it's beneficial to concentrate on key sections like engine wiring, lighting system, battery connections, and interior wiring. Each section provides insights into different aspects of the vehicle's electrical system, aiding in troubleshooting and maintenance.

4. How can understanding the wiring diagram help with vehicle maintenance?

  • Answer: A comprehensive understanding of the wiring diagram empowers individuals to diagnose and address electrical issues effectively. It serves as a valuable tool for troubleshooting, ensuring that maintenance tasks are approached with precision and efficiency.

5. Is interpreting the wiring diagram challenging for someone without a technical background?

  • Answer: While the diagram may seem intricate at first, with the help of the accompanying legend and a bit of patience, individuals without a technical background can grasp the basics. It's a learning process, and familiarity grows with each exploration of the diagram.

6. Are there online resources or forums where I can seek assistance with the 2015 Jeep Compass wiring diagram?

  • Answer: Yes, numerous online forums and automotive communities are filled with enthusiasts and experts willing to share insights. Engaging in discussions and seeking advice from those with experience can be a valuable resource for navigating the intricacies of the wiring diagram.

7. Can I use the wiring diagram for modifications or upgrades to my 2015 Jeep Compass?

  • Answer: Absolutely! The wiring diagram is a crucial tool for anyone considering modifications or upgrades. It provides a clear understanding of the existing electrical layout, enabling individuals to integrate new components seamlessly and ensure compatibility with the vehicle's existing system.

Remember, embracing the wiring diagram is not just for the mechanically inclined; it's a journey of discovery that can enhance your relationship with your 2015 Jeep Compass. So, dive in, explore, and let the electrifying revelations begin!

Keywords : 2015 JEEP COMPASS WIRING DIAGRAM

0 komentar