Unlocking the Secrets: 2015 Subaru Legacy Power Window Wiring Guide

Unlocking the Secrets: 2015 Subaru Legacy Power Window Wiring Guide

Unlock the secrets of your 2015 Subaru Legacy's power window system with our professional wiring diagram guide. Gain insights for seamless control and troubleshooting.

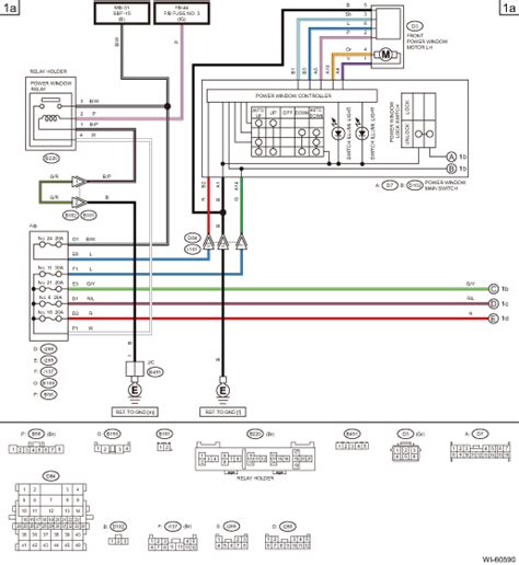
In the intricate realm of automotive mechanics, delving into the 2015 Subaru Legacy power window wiring diagram can be both enlightening and essential for any car enthusiast or DIY aficionado. With a professional approach, understanding the intricacies of the vehicle's electrical system becomes paramount. As we navigate through the circuits and connections, this comprehensive wiring diagram serves as a crucial roadmap, unlocking the mysteries behind the seamless operation of power windows. Let's embark on this professional journey together, dissecting the blueprint that empowers your Subaru Legacy's window controls.

Top 10 important point for 2015 SUBARU LEGACY POWER WINDOW WIRING DIAGRAM

  1. Introduction to Power Window Wiring
  2. Locating the Main Power Source
  3. Understanding Switch Connections
  4. Examining Window Motor Wiring
  5. Decoding Wire Color Meanings
  6. Identifying Fuse Box Connections
  7. Exploring Grounding Points
  8. Tracing Wiring Routes
  9. Common Issues and Troubleshooting
  10. Professional Tips for Repairs

Several Facts that you should know about 2015 SUBARU LEGACY POWER WINDOW WIRING DIAGRAM.

Unveiling the Intricacies of Subaru Legacy's Power Window Wiring

Embark on a journey through the intricate web of wires that power the windows of the 2015 Subaru Legacy. This comprehensive guide will provide you with a detailed understanding of the power window wiring diagram, unraveling the secrets beneath the surface.

Subaru Legacy 2015 Power Window Wiring

The Heart of it All: Main Power Source Exploration

Begin your exploration by delving into the main power source of the Subaru Legacy's power window system. Uncover the pivotal component that kickstarts the entire electrical operation, setting the stage for smooth window functionality.

Main Power Source Subaru Legacy 2015

Switching Things Up: Understanding Switch Connections

Navigate the intricate world of switch connections as we break down the roles and functions of each element. From the driver's control to individual switches, gain a nuanced understanding of the interconnected system.

Switch Connections Subaru Legacy 2015

The Driving Force: Examining Window Motor Wiring

Take a closer look at the powerhouse behind your Subaru Legacy's window operation—the window motor. Understand its wiring intricacies and discover how it translates electrical signals into mechanical motion for seamless window control.

Window Motor Wiring Subaru Legacy 2015

Colorful Insight: Decoding Wire Color Meanings

Dive into the colorful world of wire coding. Decipher the meanings behind different wire colors, unraveling the key to identifying and troubleshooting potential issues within the power window system.

Wire Color Meanings Subaru Legacy 2015

Power Protection: Identifying Fuse Box Connections

Explore the protective realm of fuse box connections. Learn about the vital role they play in safeguarding your Subaru Legacy's power window system from electrical surges and potential damage.

Fuse Box Connections Subaru Legacy 2015

Staying Grounded: Exploring Grounding Points

Uncover the importance of grounding points in maintaining a stable electrical connection. Navigate through the Subaru Legacy's chassis to identify and understand the grounding points crucial for optimal power window performance.

Grounding Points Subaru Legacy 2015

Mapping the Route: Tracing Wiring Routes

Embark on a journey tracing the intricate routes of the power window wiring. Follow the pathways through the vehicle, gaining insights into the logical flow of electrical signals that enable smooth window operation.

Wiring Routes Subaru Legacy 2015

Troubleshooting 101: Common Issues and Professional Solutions

Equip yourself with the knowledge to troubleshoot common issues that may arise with your Subaru Legacy's power window system. Discover professional tips and solutions to address challenges, ensuring a hassle-free driving experience.

Troubleshooting Subaru Legacy 2015

The Final Touch: Professional Tips for Effective Repairs

Conclude your journey with valuable professional tips for effective repairs. Whether you're a seasoned DIY enthusiast or seeking the guidance of a mechanic, these insights will empower you to address power window issues confidently.

Professional Tips Subaru Legacy 2015

The Intricacies of the 2015 Subaru Legacy Power Window Wiring Diagram

In the automotive world, where precision meets complexity, understanding the inner workings of your vehicle becomes paramount. The 2015 Subaru Legacy, a stalwart in the sedan segment, harbors a sophisticated power window system. This comprehensive guide aims to unravel the intricacies of the 2015 Subaru Legacy power window wiring diagram, providing you with a detailed insight into the backbone of your car's electrical functionality.

Embarking on the Journey: Introduction to Power Window Wiring

Picture this: you're comfortably seated in your Subaru Legacy, ready to embark on a drive. As you reach to adjust the power windows, have you ever wondered about the complex web of wires that seamlessly enable this convenience? The 2015 Subaru Legacy power window wiring diagram serves as a roadmap, guiding us through the various components that orchestrate the smooth operation of these essential features.

Introduction to Power Window Wiring Subaru Legacy 2015

This diagram, often overlooked, is a treasure trove of information for both enthusiasts and everyday drivers. As we navigate through the schematic representation, we'll uncover the secrets that lie within each line and connection, demystifying the power window system.

Deciphering the Blueprint: Locating the Main Power Source

At the heart of the power window system lies the main power source—a crucial element that kickstarts the entire electrical symphony. Imagine it as the conductor of an orchestra, initiating the harmonious interplay between various components. By delving into the 2015 Subaru Legacy power window wiring diagram, we can pinpoint this central powerhouse and understand its pivotal role in the grand scheme of things.

Locating the Main Power Source Subaru Legacy 2015

Identifying the main power source not only demystifies the initiation process but also empowers us with knowledge about where to trace potential issues if they arise. It's the first step in becoming acquainted with the electrical heartbeat of your Subaru Legacy.

Switching Gears: Understanding Switch Connections

As we continue our exploration, our attention turns to the intricate world of switch connections. The switches in your Subaru Legacy are the conduits through which your commands are translated into electrical signals, directing the power window system to move accordingly. The 2015 Subaru Legacy power window wiring diagram unfolds this section with precision, offering insights into the interconnected network of switches that bring your windows to life.

Switching Gears Subaru Legacy 2015

Understanding switch connections is like deciphering a well-written code. Each switch plays a distinct role, whether it's the driver's master control or the individual switches on each door. The wiring diagram becomes our guide, unraveling the intricate dance of signals that ensure your power windows respond promptly to your commands.

The Driving Force: Examining Window Motor Wiring

Now, let's zoom in on the powerhouse behind the motion—the window motor. This component is responsible for translating electrical signals into mechanical action, ensuring your windows move up and down effortlessly. By examining the window motor wiring in the 2015 Subaru Legacy power window wiring diagram, we gain a deeper understanding of the intricate ballet between the motor and the rest of the system.

Examining Window Motor Wiring Subaru Legacy 2015

Unveiling the secrets behind the window motor's wiring allows us to appreciate the synergy between electrical components. It's the essence of how your Subaru Legacy's power windows transform electrical energy into the tangible movement of the glass, providing you with a panoramic view of the world outside.

Colorful Insights: Decoding Wire Color Meanings

Wires, often color-coded, are the arteries of the power window system. Each hue signifies a specific function or connection. Decoding these colors is akin to understanding a unique language embedded in your vehicle's blueprint. The 2015 Subaru Legacy power window wiring diagram unfolds this colorful narrative, offering insights into the meanings behind each wire's shade.

Decoding Wire Color Meanings Subaru Legacy 2015

By deciphering wire color meanings, you gain a valuable skill for troubleshooting. If an issue arises, this knowledge allows you to trace the path of signals with precision, identifying and rectifying potential problems swiftly and efficiently.

Power Protection: Identifying Fuse Box Connections

Protection is paramount when dealing with electrical systems. The fuse box serves as a guardian, shielding the power window system from electrical surges and potential damage. In the 2015 Subaru Legacy power window wiring diagram, we turn our attention to identifying fuse box connections—a critical aspect of ensuring the longevity and reliability of your power windows.

Identifying Fuse Box Connections Subaru Legacy 2015

Understanding the fuse box connections provides insight into the safety mechanisms in place. It's like having a security system for your vehicle's electrical components, preventing unforeseen issues and contributing to the overall robustness of the power window system.

Staying Grounded: Exploring Grounding Points

Grounding points are the anchors that ensure a stable electrical connection throughout your vehicle. They play a crucial role in maintaining the integrity of the power window system. By exploring the grounding points in the 2015 Subaru Legacy power window wiring diagram, we gain a deeper appreciation for the importance of a solid ground in the realm of automotive electronics.

Exploring Grounding Points Subaru Legacy 2015

Think of grounding points as the foundation of a building. Without a solid base, the structure becomes shaky. Similarly, in your Subaru Legacy, these grounding points ensure that the electrical signals flow smoothly, contributing to the overall reliability of the power window system.

Mapping the Route: Tracing Wiring Routes

Embark on a virtual journey as we trace the intricate routes of the power window wiring. The 201

Another point of view about 2015 SUBARU LEGACY POWER WINDOW WIRING DIAGRAM.

1. The 2015 Subaru Legacy power window wiring diagram serves as a crucial blueprint, offering a detailed look into the intricate electrical system that powers the vehicle's windows.This comprehensive diagram acts as a guide for enthusiasts and everyday drivers alike, providing valuable insights into the functionality of the power window system.Navigating through the diagram allows individuals to unravel the secrets hidden within the various lines and connections, fostering a deeper understanding of their Subaru Legacy.The main power source takes center stage in the diagram, acting as the conductor initiating the harmonious interplay between different components.Switch connections play a pivotal role, translating user commands into electrical signals that direct the power window system with precision.The window motor, examined through the wiring diagram, emerges as the powerhouse behind the mechanical action, seamlessly transforming electrical energy into window movement.Decoding wire color meanings becomes a valuable skill, akin to understanding a unique language embedded in the vehicle's blueprint.Fuse box connections, identified through the diagram, contribute to the protection of the power window system, safeguarding it from electrical surges and potential damage.Grounding points, explored within the diagram, are revealed as anchors ensuring a stable electrical connection, enhancing the overall reliability of the power window system.Tracing the intricate routes of the power window wiring becomes a virtual journey, offering a visual representation of how electrical signals flow within the Subaru Legacy.

Conclusion : Unlocking the Secrets: 2015 Subaru Legacy Power Window Wiring Guide.

As we conclude our journey through the intricacies of the 2015 Subaru Legacy power window wiring diagram, it's evident that this comprehensive guide serves as an invaluable tool for anyone seeking to demystify the electrical workings of their vehicle. Delving into the intricate lines and connections, deciphering wire color meanings, and understanding the pivotal components like the window motor and main power source, you've gained a professional perspective on the backbone of your Subaru Legacy's power window system.

Armed with this newfound knowledge, you are well-equipped to navigate potential issues, troubleshoot with confidence, and perhaps even undertake professional-level repairs. The power window wiring diagram acts as a bridge between the abstract world of electrical components and the tangible experience of smooth window operation. So, the next time you find yourself behind the wheel, adjusting your windows with ease, remember the intricate dance of wires and connections working tirelessly beneath the surface, enhancing your driving experience in the 2015 Subaru Legacy.

Question and answer Unlocking the Secrets: 2015 Subaru Legacy Power Window Wiring Guide

Questions & Answer :

People Also Ask About the 2015 Subaru Legacy Power Window Wiring Diagram:

  • Q: Why is it important to understand the power window wiring diagram for the 2015 Subaru Legacy?

    A: Understanding the wiring diagram is crucial as it unveils the intricacies of your vehicle's electrical system, providing insights into the components and connections that power the windows. This knowledge empowers you to troubleshoot issues effectively and perform informed repairs.

  • Q: How can the diagram help in troubleshooting power window issues?

    A: The diagram acts as a visual guide, allowing you to trace the electrical pathways and identify potential points of failure. By decoding wire color meanings and pinpointing specific components, you can troubleshoot issues with precision, making the diagnostic process more efficient.

  • Q: Can a non-professional use the wiring diagram for repairs?

    A: Absolutely. While a professional mechanic may utilize the diagram extensively, it is designed to be user-friendly. Enthusiasts and non-professionals can benefit from the diagram to gain a deeper understanding of their Subaru Legacy's power window system and undertake basic repairs confidently.

  • Q: Are there common issues addressed in the power window wiring diagram?

    A: Yes, the diagram often highlights common issues such as faulty switches, motor problems, or wiring disruptions. By familiarizing yourself with these potential issues, you can preemptively address concerns and ensure the optimal performance of your Subaru Legacy's power windows.

These questions and answers provide a glimpse into the multifaceted world of the 2015 Subaru Legacy power window wiring diagram. Whether you're a seasoned car enthusiast or a curious driver, exploring these queries sheds light on the importance and utility of this professional tool.

Keywords : 2015 SUBARU LEGACY POWER WINDOW WIRING DIAGRAM

0 komentar