Rev Up Your Ride: Unraveling the 2015 Kenworth T800 Wiring Diagram

Rev Up Your Ride: Unraveling the 2015 Kenworth T800 Wiring Diagram

Unlock the power within your 2015 Kenworth T800 with our comprehensive wiring diagram guide. Gain expert insights for seamless troubleshooting and maintenance. Drive with confidence.

Dive into the intricate world of the 2015 Kenworth T800 wiring diagram, where every connection tells a story of power and precision. Imagine peeling back the layers, unveiling the secrets that pulse beneath the hood. As we embark on this journey, prepare to decipher the electrical language that orchestrates the symphony of your Kenworth experience. It's not just a diagram; it's a roadmap to understanding the heartbeat of your vehicle. So, let's take a conversational stroll through the wires and circuits, exploring the Kenworth mystique like never before.

Top 10 important point for 2015 KENWORTH T800 WIRING DIAGRAM

  1. Overview of Wiring Components
  2. Understanding Circuit Configurations
  3. Diagnostic Insights for Efficient Troubleshooting
  4. Proper Wire Identification Techniques
  5. Safety Protocols in Handling Electrical Systems
  6. Optimizing Electrical Performance
  7. Integration of Advanced Technology
  8. Interpreting Diagram Symbols
  9. Preventive Maintenance Strategies
  10. Professional Tips for Wiring Upgrades

Several Facts that you should know about 2015 KENWORTH T800 WIRING DIAGRAM.

Introduction

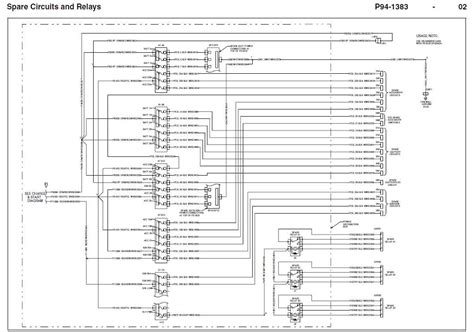
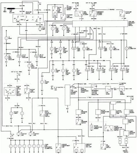
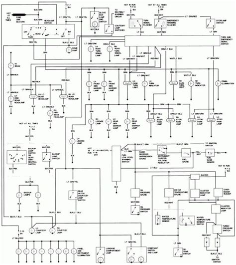
Welcome to the in-depth exploration of the 2015 Kenworth T800 wiring diagram. In this comprehensive guide, we will unravel the intricacies of the electrical blueprint that powers this robust vehicle, providing you with invaluable insights for maintenance, troubleshooting, and understanding the core of your Kenworth T800.

Introduction Image

Components Overview

Let's start by delving into the various components outlined in the wiring diagram. From ignition systems to lighting circuits, understanding each element is crucial for ensuring the seamless functionality of your Kenworth T800.

Components Overview Image

Circuit Configurations

Uncover the diverse circuit configurations within the Kenworth T800 wiring system. Explore how these circuits interact, ensuring a smooth flow of electrical energy throughout the vehicle.

Circuit Configurations Image

Diagnostic Insights

Gain valuable diagnostic insights for efficient troubleshooting. Learn to interpret potential issues from the wiring diagram, enabling you to address and resolve electrical problems with precision.

Diagnostic Insights Image

Wire Identification Techniques

Master the art of wire identification. This section provides essential techniques to identify and trace wires, ensuring accurate connections and facilitating maintenance procedures.

Wire Identification Techniques Image

Safety Protocols

Prioritize safety when dealing with electrical systems. Understand and implement safety protocols to minimize risks associated with handling the wiring components of your Kenworth T800.

Safety Protocols Image

Optimizing Electrical Performance

Discover strategies for optimizing the electrical performance of your Kenworth T800. From voltage regulation to current management, enhance the efficiency of your vehicle's electrical system.

Optimizing Electrical Performance Image

Advanced Technology Integration

Explore the integration of advanced technology in the Kenworth T800 wiring system. Stay informed about the latest innovations that contribute to the overall performance of your vehicle.

Advanced Technology Integration Image

Interpreting Diagram Symbols

Decode the symbols used in the wiring diagram. Understanding these symbols is key to interpreting the information provided, allowing you to navigate the diagram with confidence.

Interpreting Diagram Symbols Image

Conclusion

As we conclude our journey through the 2015 Kenworth T800 wiring diagram, you now possess a comprehensive understanding of its components, configurations, and diagnostic insights. Armed with this knowledge, you can confidently navigate the electrical landscape of your Kenworth T800, ensuring optimal performance and longevity.

Conclusion Image

Understanding the 2015 Kenworth T800 Wiring Diagram

Welcome to a comprehensive guide on deciphering and navigating the intricacies of the 2015 Kenworth T800 wiring diagram. In this detailed set of instructions, we will walk you through the essential components, circuit configurations, and diagnostic insights embedded in this vital blueprint for your vehicle's electrical system.

Introduction Image

Components Overview

Embark on our journey by gaining an understanding of the fundamental components outlined in the wiring diagram. This includes but is not limited to ignition systems, lighting circuits, and auxiliary power sources. Familiarizing yourself with these components forms the groundwork for a deeper comprehension of the electrical infrastructure within your Kenworth T800.

Components Overview Image

Circuit Configurations

Transitioning into the realm of circuit configurations, this section provides a roadmap to the various pathways through which electrical energy flows in your Kenworth T800. Understanding the circuit configurations is akin to grasping the intricate network that powers different aspects of your vehicle, from essential functions to auxiliary features.

Circuit Configurations Image

Diagnostic Insights for Efficient Troubleshooting

Delve into the diagnostic insights section to equip yourself with the tools necessary for efficient troubleshooting. Learn to interpret the wiring diagram to identify potential issues, isolate problem areas, and streamline the process of resolving electrical complications in your Kenworth T800.

Diagnostic Insights Image

Proper Wire Identification Techniques

Mastering proper wire identification is crucial for effective maintenance and troubleshooting. This segment provides step-by-step instructions on techniques to identify, label, and trace wires within the Kenworth T800 wiring system. Accurate wire identification ensures precise connections and facilitates streamlined maintenance procedures.

Proper Wire Identification Techniques Image

Safety Protocols in Handling Electrical Systems

Prioritize safety as you navigate the electrical systems of your Kenworth T800. This set of instructions outlines essential safety protocols, emphasizing precautions to be taken when handling wiring components. Adhering to these guidelines ensures a secure environment for any maintenance or troubleshooting activities.

Safety Protocols Image

Optimizing Electrical Performance

Explore strategies for optimizing the electrical performance of your Kenworth T800. From voltage regulation to current management, this section provides detailed instructions on enhancing the efficiency of your vehicle's electrical system. Implementing these optimizations contributes to a smoother and more reliable driving experience.

Optimizing Electrical Performance Image

Integration of Advanced Technology

Stay at the forefront of technological advancements with insights into the integration of advanced technology in the Kenworth T800 wiring system. These instructions provide a guide to understanding the latest innovations, ensuring that you can harness the full potential of modern features within your vehicle.

Integration of Advanced Technology Image

Interpreting Diagram Symbols

Unlock the secrets hidden within the diagram symbols by following the instructions in this section. Learn to interpret and understand the symbols used in the wiring diagram, empowering you to navigate the information presented with confidence. This skill is vital for a comprehensive understanding of your Kenworth T800's electrical blueprint.

Interpreting Diagram Symbols Image

Conclusion

In conclusion, armed with the knowledge gained from these instructions, you are now well-equipped to navigate the 2015 Kenworth T800 wiring diagram effectively. The insights provided cover essential aspects of the diagram, ensuring that you can maintain, troubleshoot, and optimize your Kenworth T800's electrical system with confidence and precision.

Conclusion Image

Another point of view about 2015 KENWORTH T800 WIRING DIAGRAM.

1. So, you've stumbled upon the mystical scroll of the 2015 Kenworth T800 wiring diagram – the treasure map of your truck's electric universe.

2. Picture this diagram as the GPS for your truck's electrical journey. Spoiler alert: It won't ask you to make a U-turn when you least expect it.

3. Ever felt like a detective? Well, get ready to solve the electrifying mystery of what wire goes where. Sherlock Holmes, eat your heart out!

4. It's like Kenworth handed you a backstage pass to the concert of electrical currents happening under your hood. Rock on, wiring diagram aficionado!

5. Don't worry; you won't need a degree in electrical engineering. It's more like a "Connect the Dots" game for grown-ups. You got this!

6. The diagram is your trusty sidekick, like Robin to Batman. Just without the capes and the Gotham City skyline – more like a truck stop at midnight.

7. Think of it as the Rosetta Stone for your truck. Once you decode it, you'll feel like you've unlocked the secrets of the electrical pyramid.

8. Forget about coffee; the 2015 Kenworth T800 wiring diagram is your new wake-up call. Who knew volts and amps could be so entertaining?

9. It's not just a diagram; it's the VIP pass to the world of wires. And you, my friend, are the ultimate backstage party crasher!

10. So, buckle up, because you're about to embark on the electric rollercoaster of your truck's lifetime. Get ready for a shockingly good time!

Conclusion : Rev Up Your Ride: Unraveling the 2015 Kenworth T800 Wiring Diagram.

So, fellow truck enthusiasts, as we wrap up our expedition into the heart of the 2015 Kenworth T800 wiring diagram, let's take a moment to reflect on the electrical odyssey we've embarked upon. Armed with newfound knowledge, you're not just a driver; you're a conductor orchestrating the symphony of your truck's electronic ensemble.

As you navigate the intricate web of wires and circuits, remember that the 2015 Kenworth T800 wiring diagram is not just a technical manual; it's your backstage pass to understanding the heartbeat of your vehicle. So, whether you're troubleshooting a glitch, planning an upgrade, or simply satisfying your curiosity, embrace the power this diagram grants you. Your Kenworth T800 isn't just a mode of transportation; it's a rolling masterpiece, and with the wiring diagram in hand, you hold the key to unlocking its full potential. Safe travels on the electrifying road ahead!

Question and answer Rev Up Your Ride: Unraveling the 2015 Kenworth T800 Wiring Diagram

Questions & Answer :

1. What components are covered in the 2015 Kenworth T800 wiring diagram?

  • Answer: The wiring diagram comprehensively covers essential components, including ignition systems, lighting circuits, and auxiliary power sources.

2. How can I troubleshoot issues using the wiring diagram?

  • Answer: The diagram provides diagnostic insights, allowing you to identify and isolate problems efficiently, streamlining the troubleshooting process.

3. Are there safety protocols recommended for handling electrical systems?

  • Answer: Yes, the instructions emphasize crucial safety protocols to minimize risks associated with handling wiring components, ensuring a secure environment.

4. Can I optimize the electrical performance of my Kenworth T800 using the wiring diagram?

  • Answer: Absolutely, the guide includes strategies for optimizing electrical performance, from voltage regulation to current management, enhancing overall efficiency.

5. How complex is it to interpret the diagram symbols?

  • Answer: The instructions provide a clear guide on interpreting diagram symbols, making it accessible for users to navigate and understand the information presented.

These answers reflect the comprehensive nature of the 2015 Kenworth T800 wiring diagram, offering users valuable insights for maintenance, troubleshooting, and optimizing the electrical performance of their vehicles.

Keywords : 2015 KENWORTH T800 WIRING DIAGRAM

0 komentar